GM Service Manual Online
For 1990-2009 cars only
Makes
🢒
Chevrolet
🢒
2008
🢒
Optra
🢒 HVAC Sensors
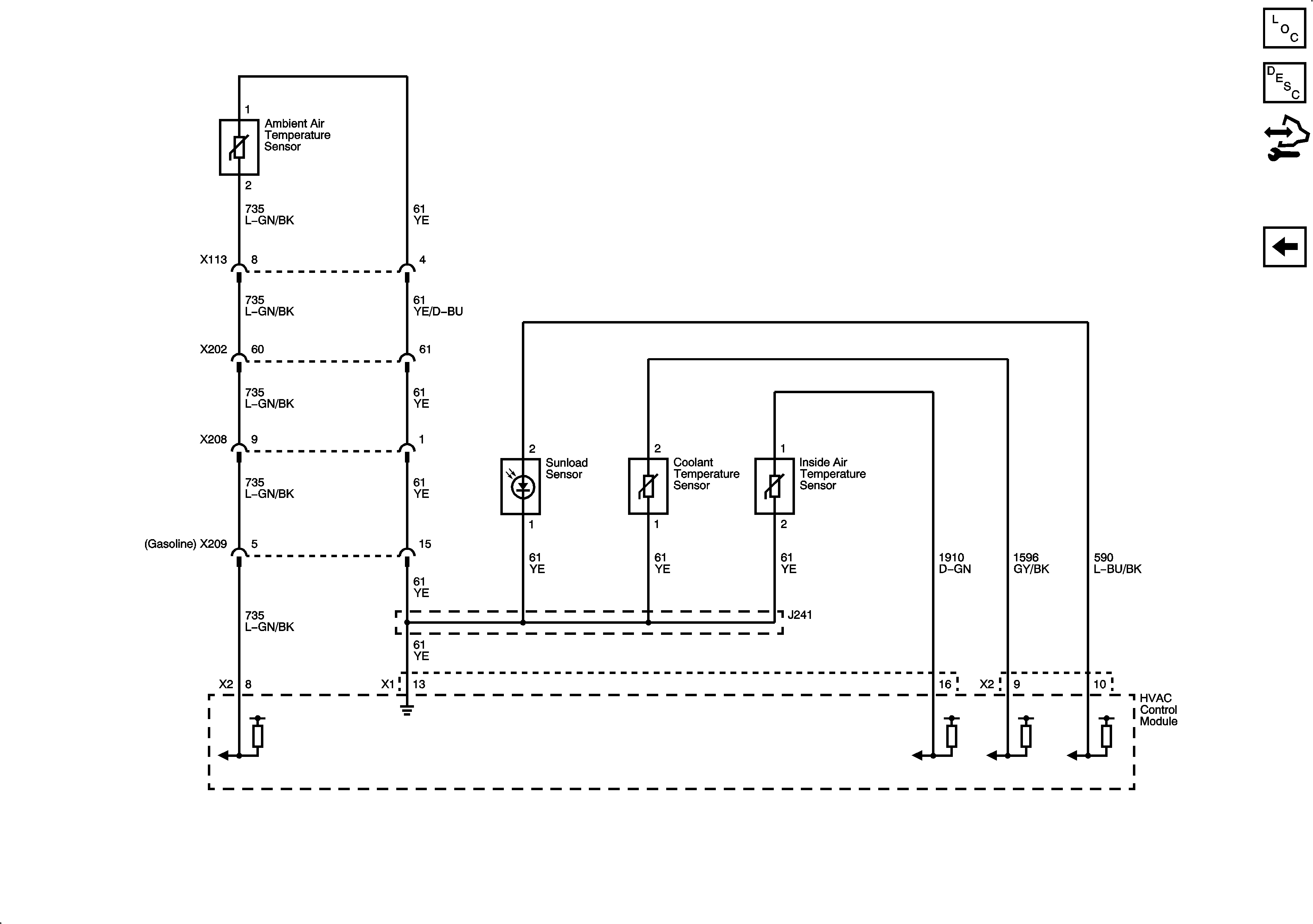
HVAC Sensors
Sensors
Master Electrical Component List
Air Temperature Description and Operation
Control Module References
Air Delivery and Temperature Controls