GM Service Manual Online
For 1990-2009 cars only
Makes
🢒
Chevrolet
🢒
2008
🢒
Optra
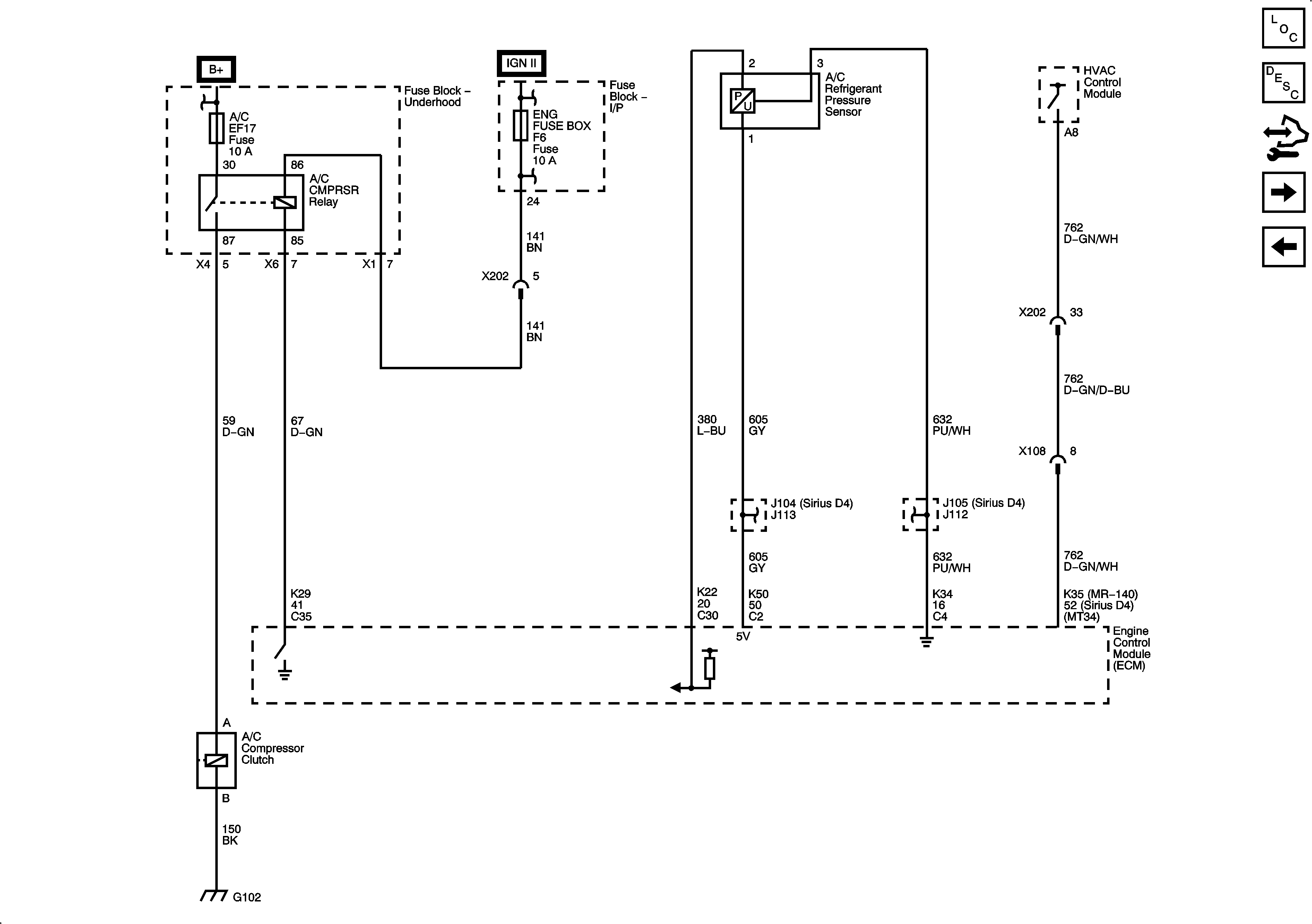
🢒 Compressor Controls Sirius D4, MR140, MT34
Compressor Controls Sirius D4, MR140, MT34
Compressor Controls - Sirius D4, MR 140, MT 34
Master Electrical Component List
Control Module References
Compressor Controls HV240
Blower Controls
Fuse Block - Underhood B+ Bus, 1 of 3
Fuse Block - Underhood B+ Bus, 1 of 3
G102
Module Power, Ground, Serial Data, Malfunction Indicator Lamp (MIL)
Module Power, Ground, Sensor Data, Malfunction Indicator Lamp (MIL)
Module Pwer, Ground, Sensor Data Malfunction Indicator Lamp (MIL)