GM Service Manual Online
For 1990-2009 cars only
Makes
🢒
Chevrolet
🢒
2008
🢒
Optra
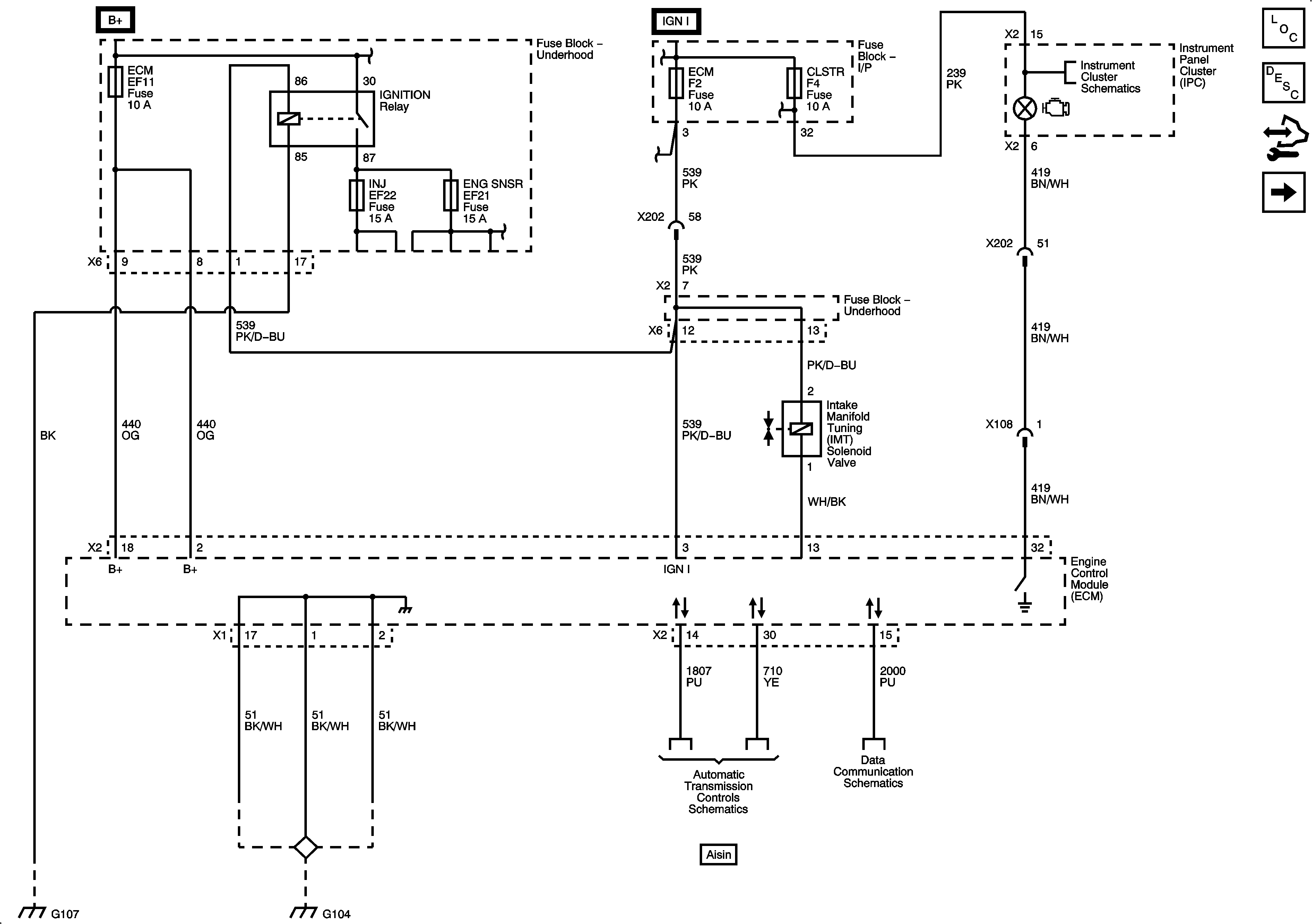
🢒 Module Pwer, Ground, Sensor Data Malfunction Indicator Lamp (MIL)
Module Pwer, Ground, Sensor Data Malfunction Indicator Lamp (MIL)
Module Power, Ground, Serial Data, Malfunction Indicator Lamp (MIL)
Master Electrical Component List
Engine Control Module Description
Control Module References
TP, ECT, IAT, MAP, Oxygen Sensors (O2S)
Fuse Block - Underhood B+ Bus, 1 of 3
Fuse Block - Underhood B+ Bus, 1 of 3
Fuse Block - Underhood B+ Bus, 1 of 3
Fuse Block - Underhood B+ Bus, 1 of 3
Power, Ground, I/P Illumination, and Door Open Indicators
G104
Module Power, Ground, Malfunction Indicator Lamp (MIL), Hold Lamp, and Serial Data
Data Communication