GM Service Manual Online
For 1990-2009 cars only
Makes
🢒
Chevrolet
🢒
2008
🢒
Optra
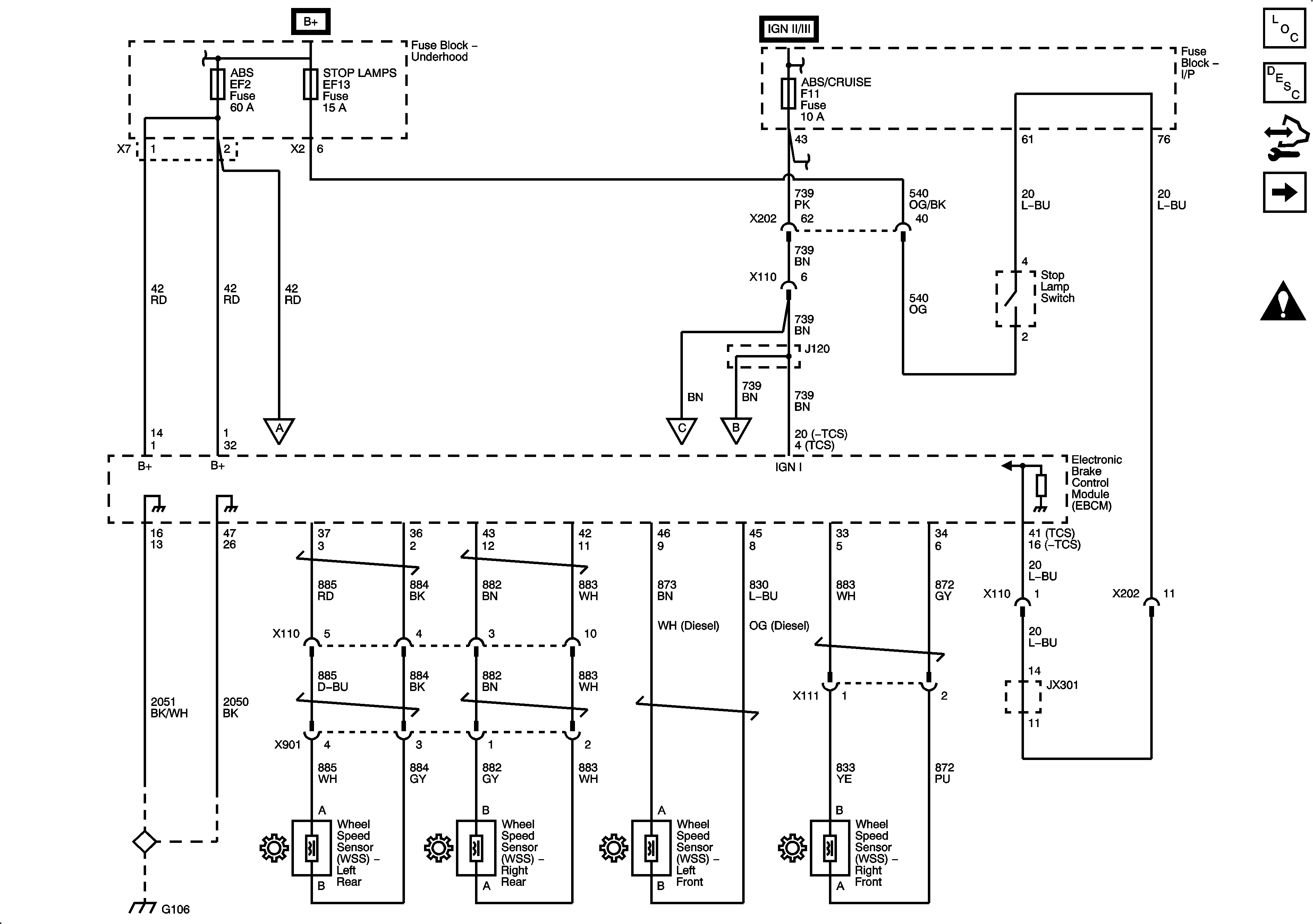
🢒 Power, Ground, Wheel Speed Sensors
Power, Ground, Wheel Speed Sensors
Power, Ground, Wheel Speed Sensors
Master Electrical Component List
Control Module References
Warning Lamps, Serial Data
Fuse Block - Underhood B+ Bus, 1 of 3
Fuse Block - Underhood B+ Bus, 1 of 3
Fuse Block - Underhood B+ Bus, 1 of 3
Warning Lamps, Serial Data
Warning Lamps, Serial Data
Warning Lamps, Serial Data
G106, G107