GM Service Manual Online
For 1990-2009 cars only
Makes
🢒
Chevrolet
🢒
2008
🢒
Optra
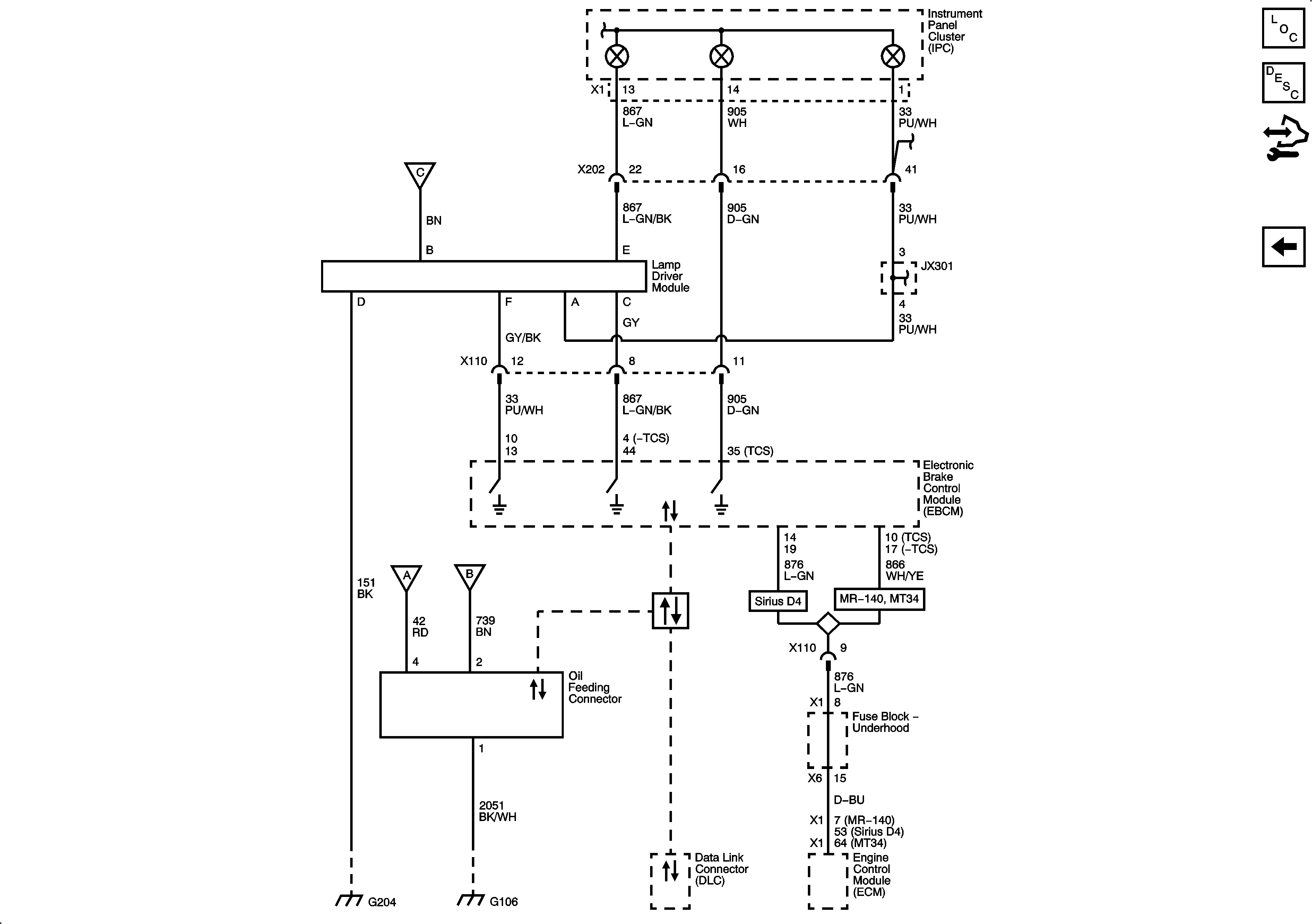
🢒 Warning Lamps, Serial Data
Warning Lamps, Serial Data
Warning Lamps, Serial Data
Master Electrical Component List
Control Module References
Power, Ground, Wheel Speed Sensors
Power, Ground, I/P Illumination, and Door Open Indicators
Power, Ground, Wheel Speed Sensors
Hydraulic Brake
Hydraulic Brake
Power, Ground, Wheel Speed Sensors
Power, Ground, Wheel Speed Sensors
G202, G204
G106, G107