GM Service Manual Online
For 1990-2009 cars only
Makes
🢒
Chevrolet
🢒
2008
🢒
Optra
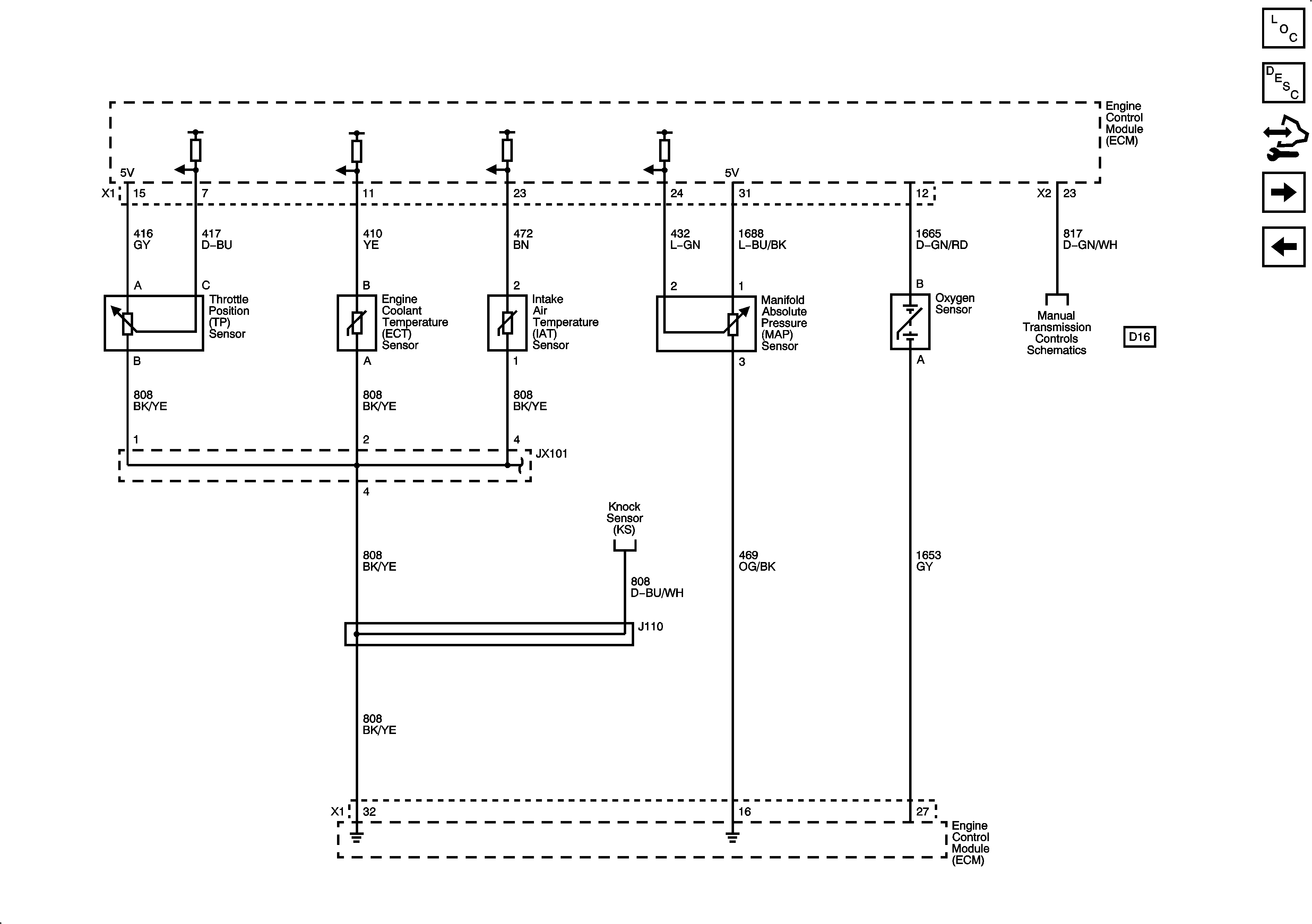
🢒 TP, ECT, IAT, MAP, Oxygen Sensors (O2S)
TP, ECT, IAT, MAP, Oxygen Sensors (O2S)
TP, ECT, IAT, MAP, Oxygen Sensors
Master Electrical Component List
Air Intake System Description
Control Module References
Ignition System
Module Pwer, Ground, Sensor Data Malfunction Indicator Lamp (MIL)
D16