GM Service Manual Online
For 1990-2009 cars only
Makes
🢒
Chevrolet
🢒
2008
🢒
Optra
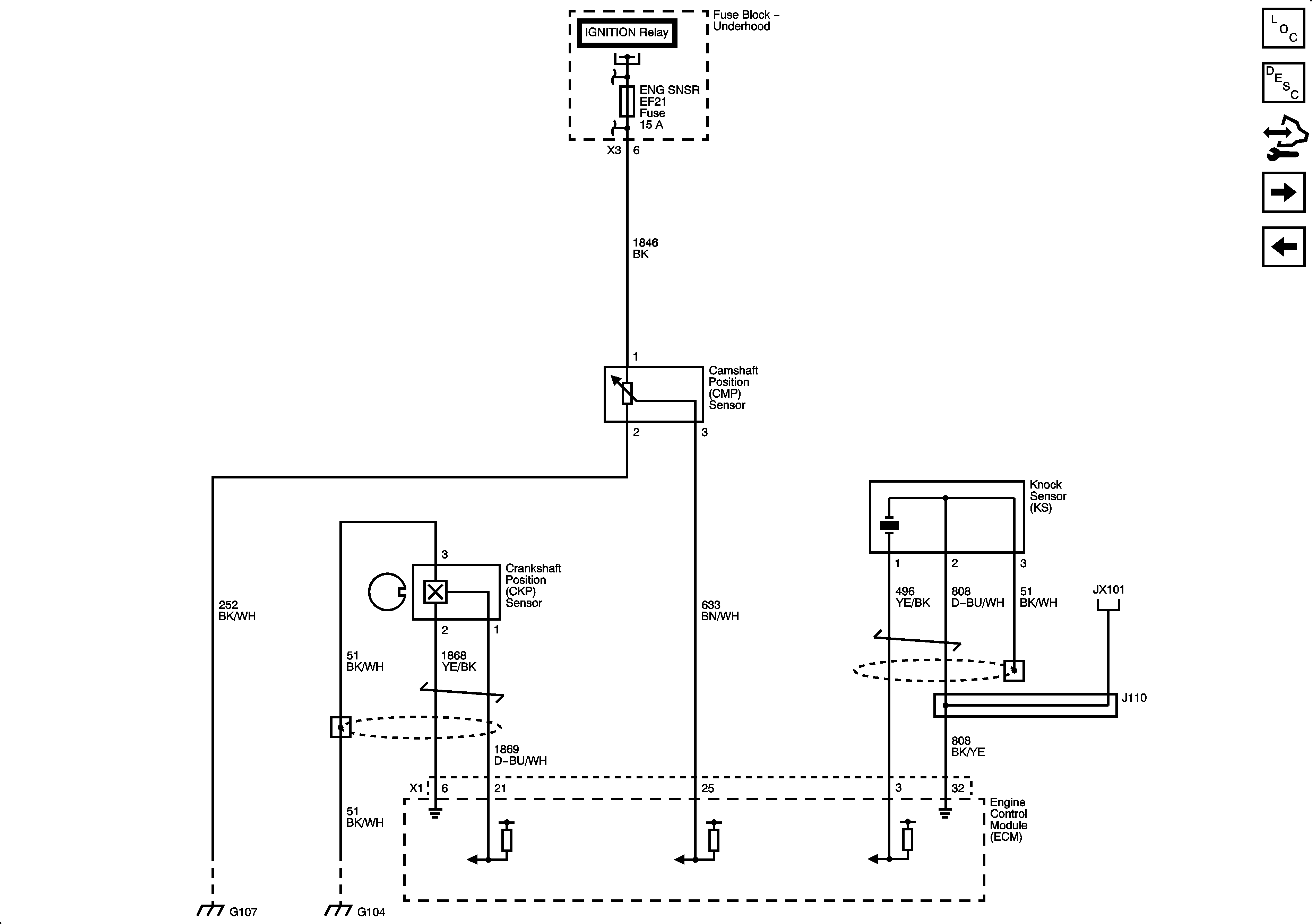
🢒 CKP, CMP, Knock
CKP, CMP, Knock
CKP, CMP, Knock
Master Electrical Component List
Knock Sensor (KS) System Description
Control Module References
Fuel Pump and Fuel Injectors
Ignition System
Fuse Block - Underhood B+ Bus, 1 of 3
G106, G107
G104