GM Service Manual Online
For 1990-2009 cars only
Makes
🢒
Chevrolet
🢒
2008
🢒
Optra
🢒 Fuel Pump and Fuel Injectors
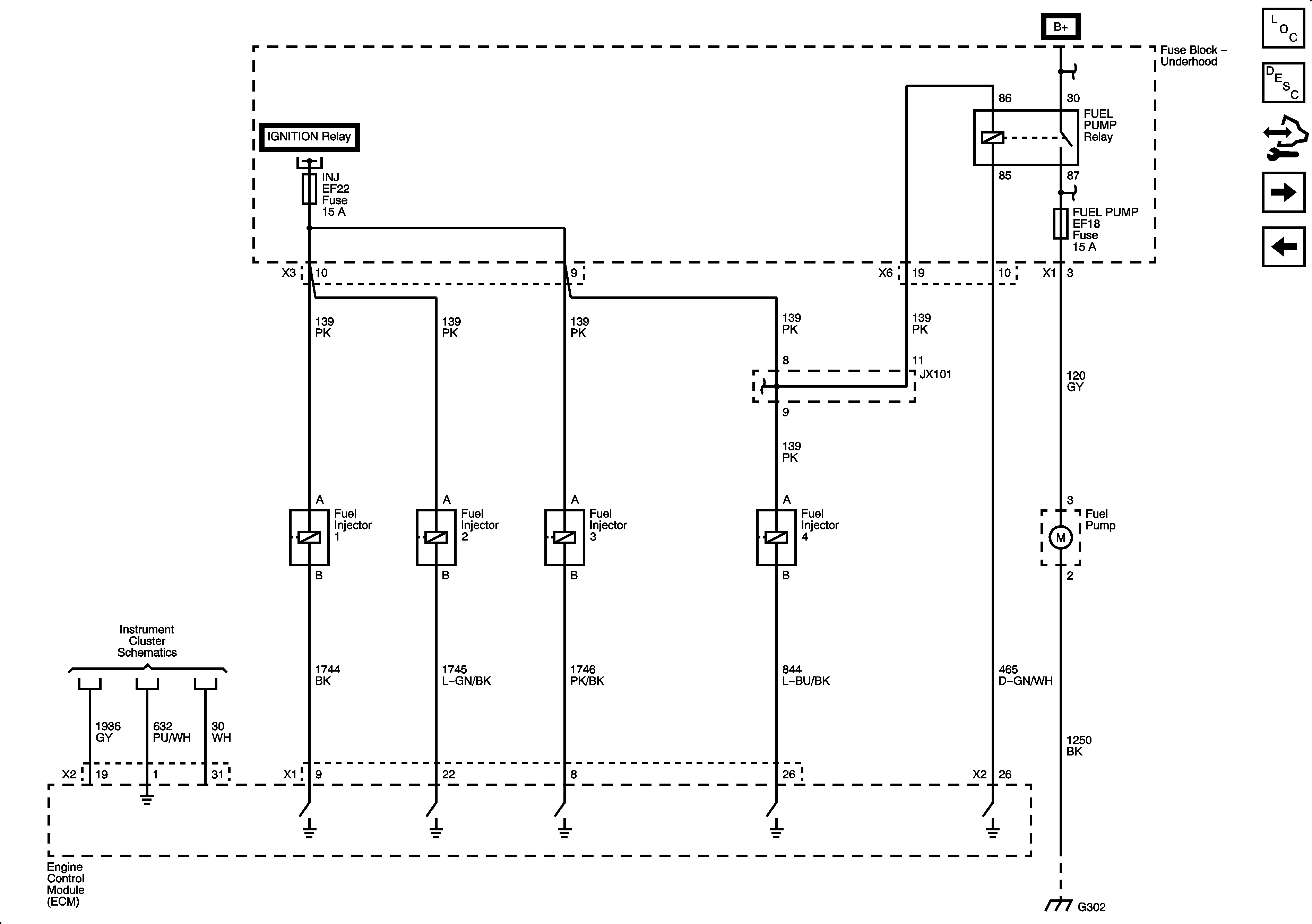
Fuel Pump and Fuel Injectors
Fuel Pump and Fuel Injectors
Master Electrical Component List
Fuel System Description
Control Module References
EVAP, IAC, Octane Selection Switch
CKP, CMP, Knock
Fuse Block - Underhood B+ Bus, 1 of 3
Fuse Block - Underhood B+ Bus, 1 of 3
Power, Ground, I/P Illumination, and Door Open Indicators
G302