GM Service Manual Online
For 1990-2009 cars only
Makes
🢒
Chevrolet
🢒
2008
🢒
Optra
🢒 Fuel Controls - Evap Controls
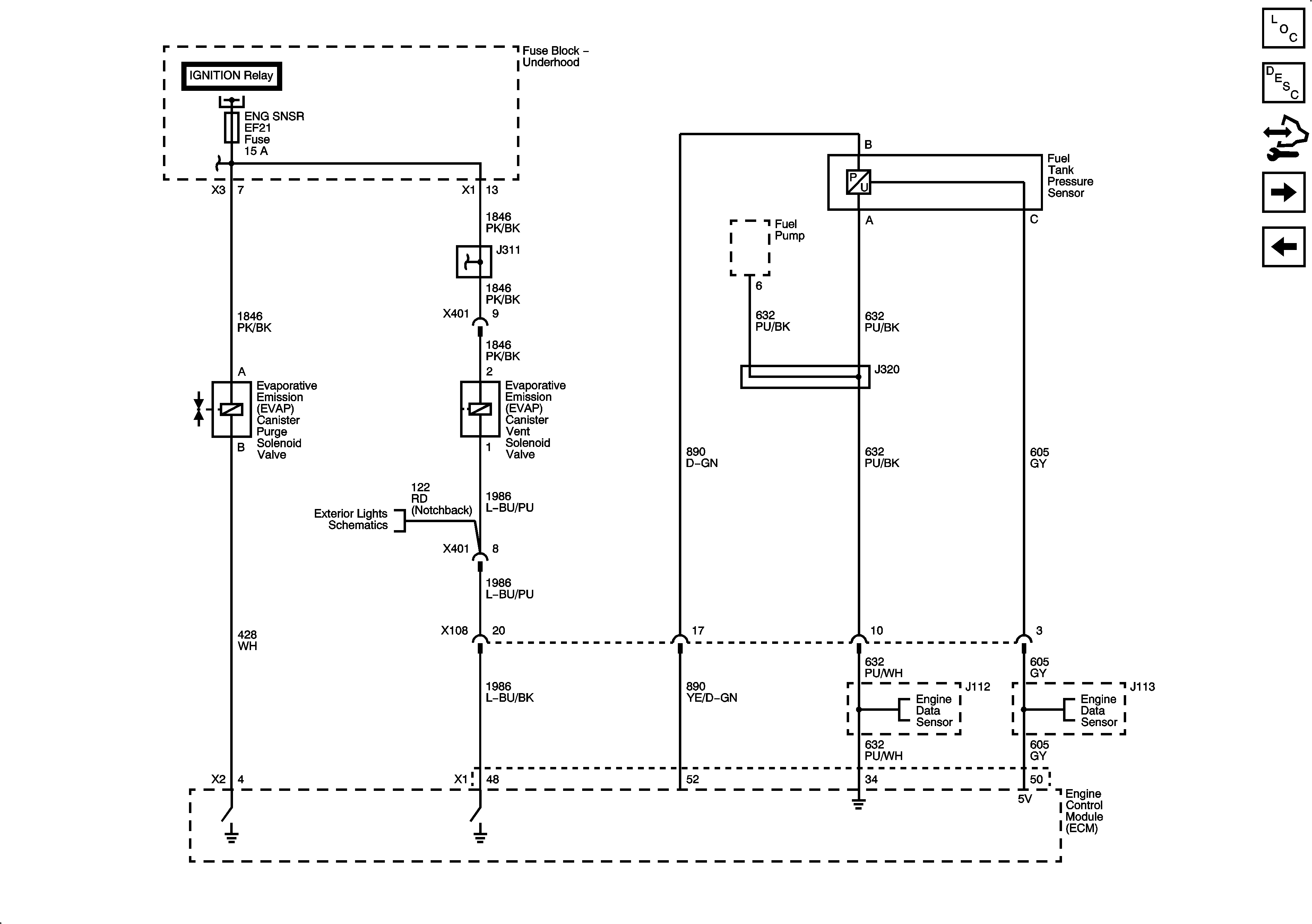
Fuel Controls - Evap Controls
Fuel Controls - EVAP Controls
Master Electrical Component List
Control Module References
Device Controls
Fuel Pump and Fuel Injectors
Fuse Block - Underhood B+ Bus, 1 of 3
Fuse Block - Underhood B+ Bus, 1 of 3
Park Lamps and License Plate Lamps
Engine Data Sensors - Pressure and Temperature