GM Service Manual Online
For 1990-2009 cars only
Makes
🢒
Chevrolet
🢒
2008
🢒
Optra
🢒 Device Controls
Device Controls
Device Controls
Master Electrical Component List
Control Module References
Controlled/Monitored Subsystem References
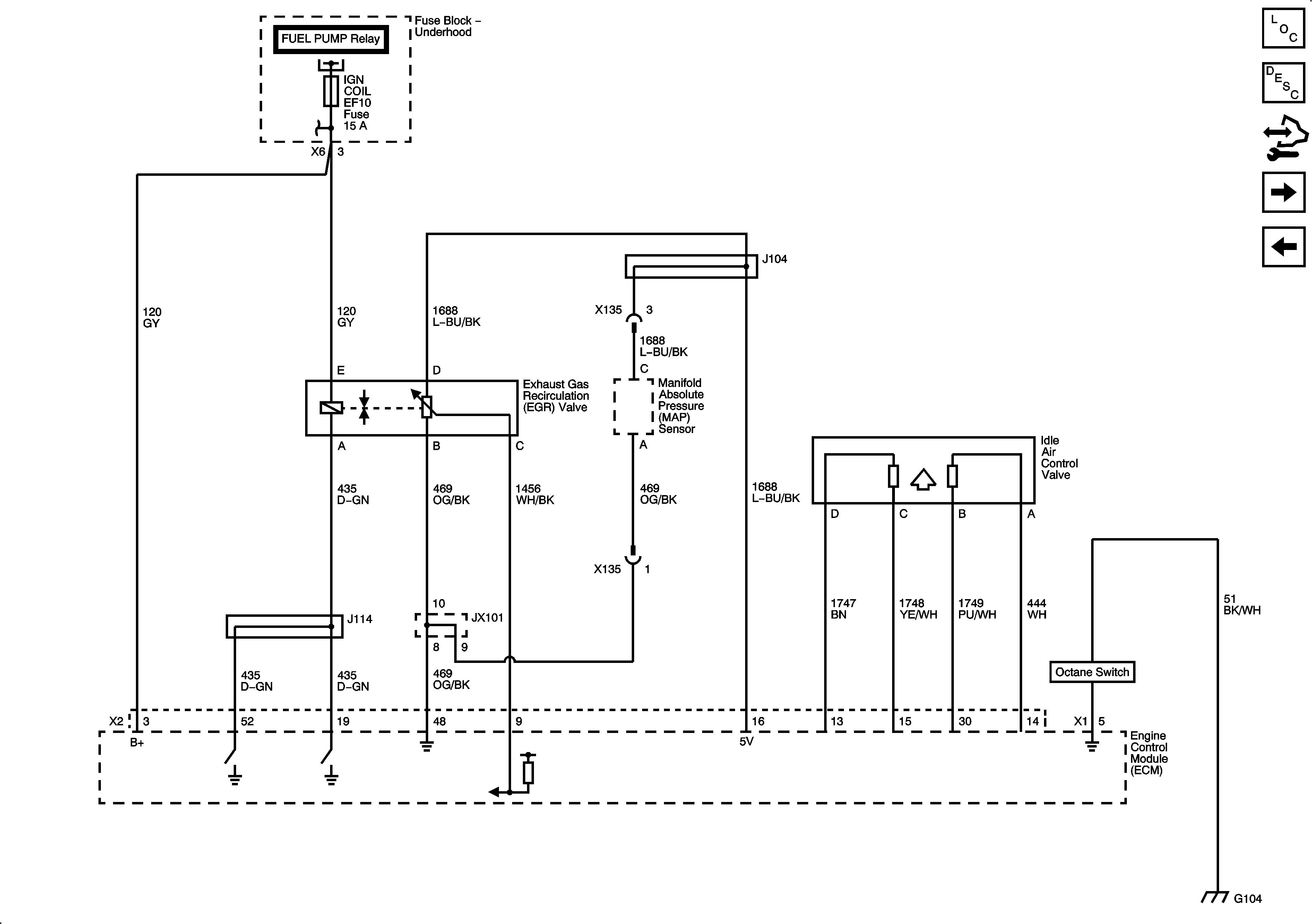
Fuel Controls - Evap Controls
Fuse Block - Underhood B+ Bus, 1 of 3
G104