GM Service Manual Online
For 1990-2009 cars only
Makes
🢒
Chevrolet
🢒
2008
🢒
Optra
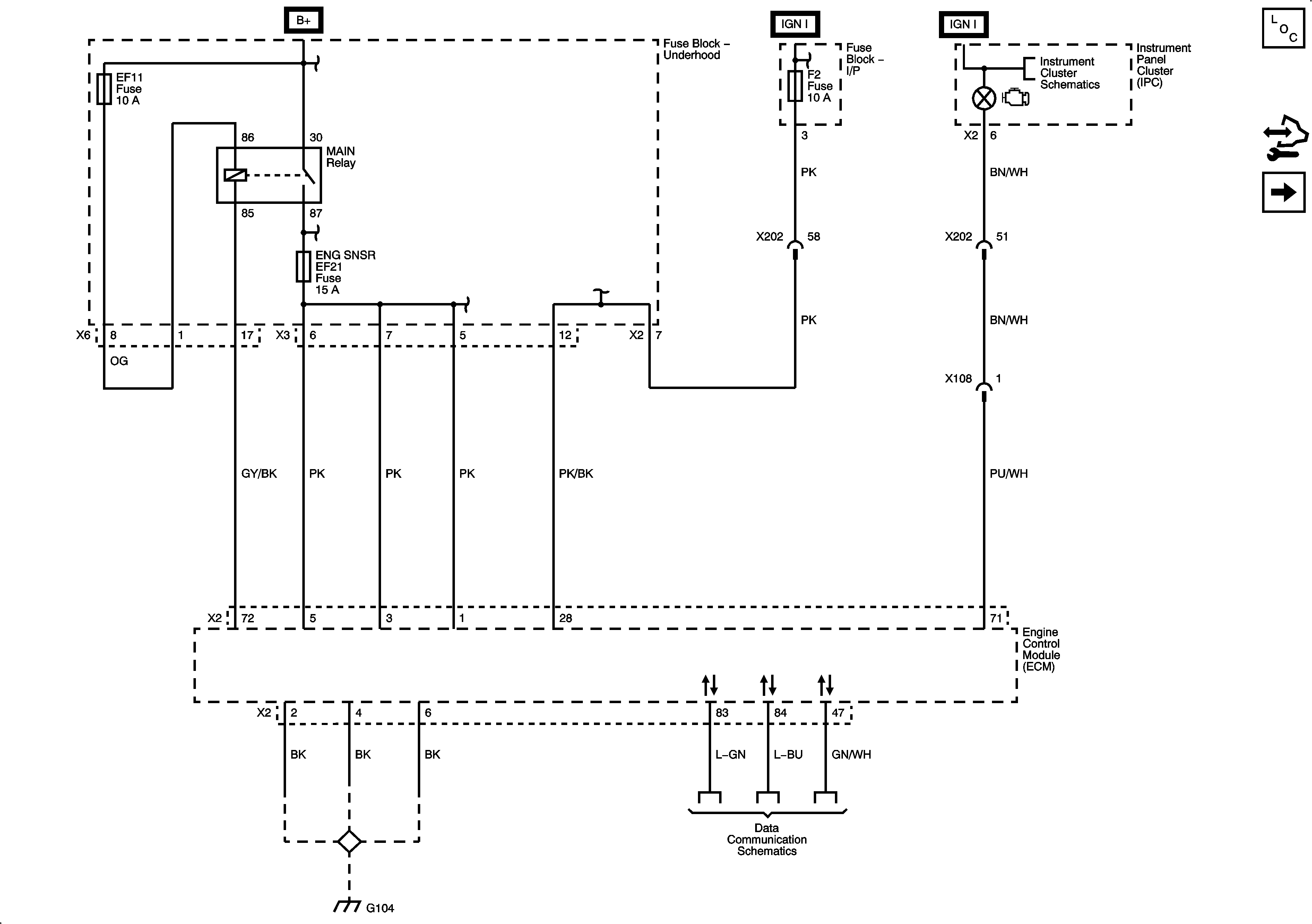
🢒 ECM Power and Ground, Serial Data, MIL Control
ECM Power and Ground, Serial Data, MIL Control
ECM Power and Ground, Serial Data, MIL Control
Master Electrical Component List
Control Module References
Water in Fuel, MAF, IAT, ECT, Boost Pressure, Refrigerant Pressure Sensor, Fuel Injection Pump
Fuse Block - Underhood B+ Bus, 2 of 3
Fuse Block - Underhood B+ Bus, 3 of 3 and Auxiliary Fuse Block
Fuse Block - I/P ECM Fuse
Fuse Block - I/P ECM Fuse
Air Bag, MIL Lamp, Oil Pressure, DRL, Cruise, and Fog Indicators
Data Communication
G104