GM Service Manual Online
For 1990-2009 cars only
Makes
🢒
Chevrolet
🢒
2008
🢒
Optra
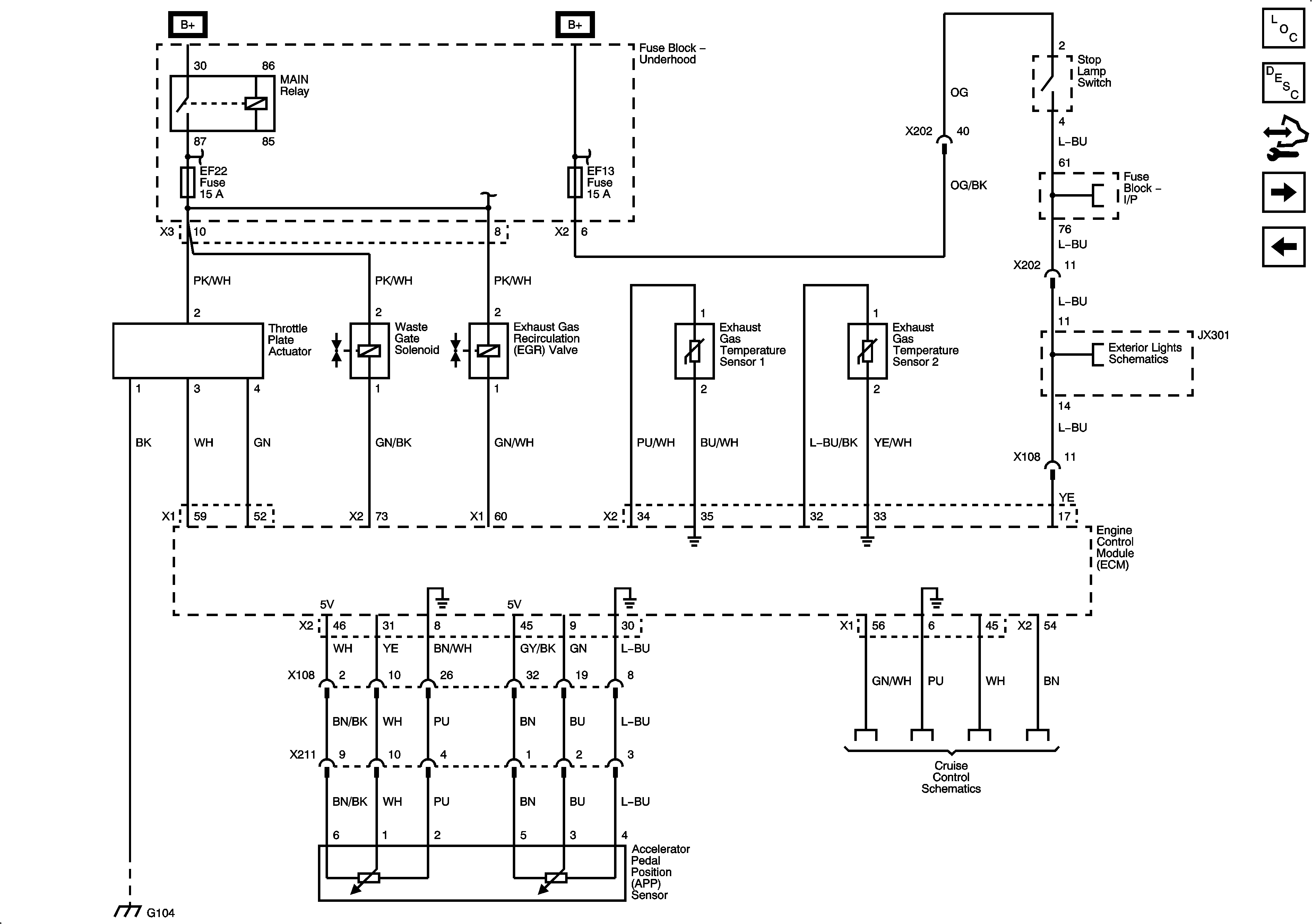
🢒 Throttle Plate Actuator, APP Sensor, EGR Valve, Exhaust Gas Temperature Sensors, Waste Gate Solenoid
Throttle Plate Actuator, APP Sensor, EGR Valve, Exhaust Gas Temperature Sensors, Waste Gate Solenoid
Throttle Plate Actuator, APP Sensor, EGR Valve, Exhaust Gas Temperature Sensors, Waste Gate Solenoid
Master Electrical Component List
Control Module References
Glow Plug Control, CKP, CMP Sensors, Clutch Start Switch
Water in Fuel, MAF, IAT, ECT, Boost Pressure, Refrigerant Pressure Sensor, Fuel Injection Pump
Fuse Block - Underhood B+ Bus, 3 of 3 and Auxiliary Fuse Block
Fuse Block - Underhood B+ Bus, 1 of 3
Stop Lamps - Station Wagon
G104
Diesel