GM Service Manual Online
For 1990-2009 cars only
Makes
🢒
Chevrolet
🢒
2008
🢒
Optra
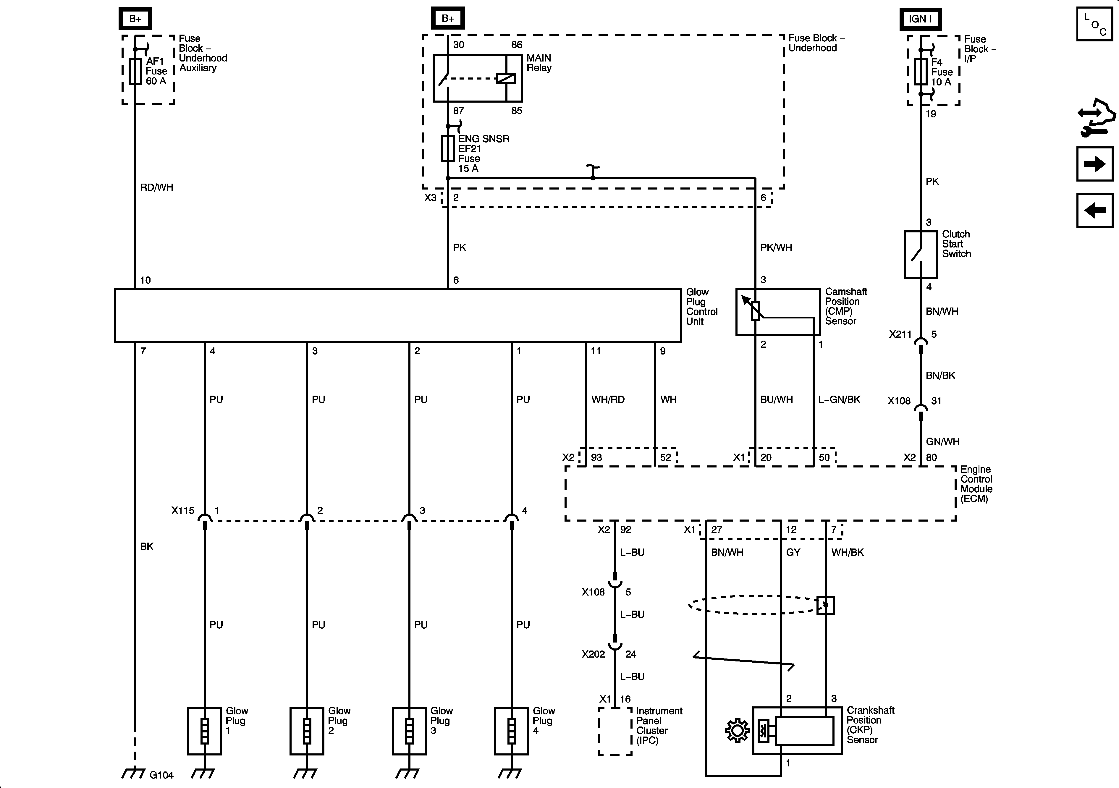
🢒 Glow Plug Control, CKP, CMPSensors, Clutch Start Switch
Glow Plug Control, CKP, CMPSensors, Clutch Start Switch
Glow Plug Control, CKP, CMP Sensors, Clutch Start Switch
Master Electrical Component List
Control Module References
Fuel Pump
Throttle Plate Actuator, APP Sensor, EGR Valve, Exhaust Gas Temperature Sensors, Waste Gate Solenoid
Fuse Block - Underhood B+ Bus, 1 of 3
Fuse Block - Underhood B+ Bus, 3 of 3 and Auxiliary Fuse Block
Fuse Block - I/P CLSTR, AIRBAG, BCK/UP Fuses
G104