GM Service Manual Online
For 1990-2009 cars only
Makes
🢒
Chevrolet
🢒
2008
🢒
Optra
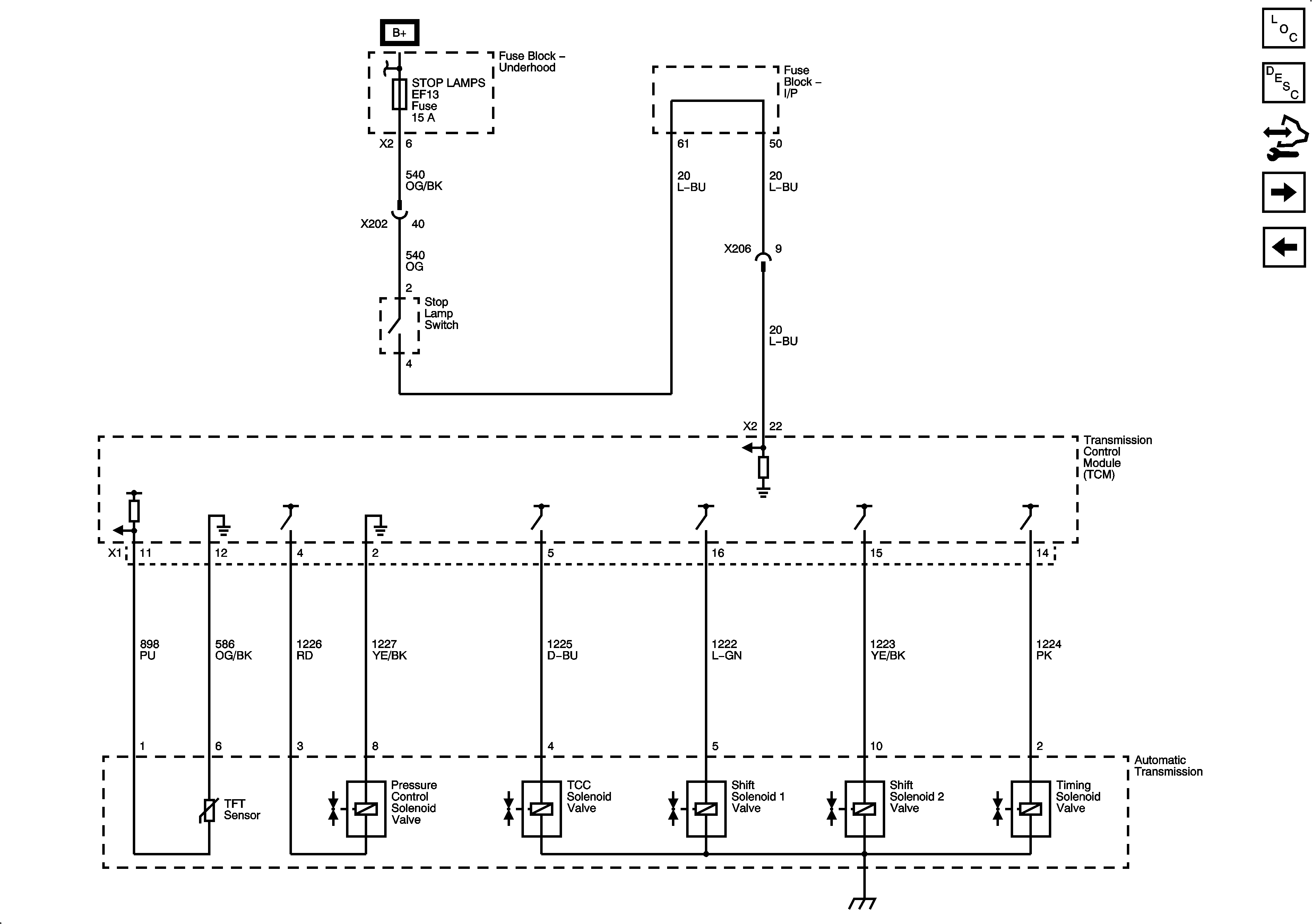
🢒 Stop Lamp Switch and Transmission Solenoids
Stop Lamp Switch and Transmission Solenoids
Stop Lamp Swtich and Transmission Solenoids
Master Electrical Component List
Control Module References
Vehicle Speed and Input Speed Sensors
Module Power, Ground, Malfunction Indicator Lamp (MIL), Hold Lamp, and Serial Data
Fuse Block - Underhood B+ Bus, 1 of 3
Fuse Block - Underhood B+ Bus, 1 of 3