GM Service Manual Online
For 1990-2009 cars only
Makes
🢒
Chevrolet
🢒
2008
🢒
Optra
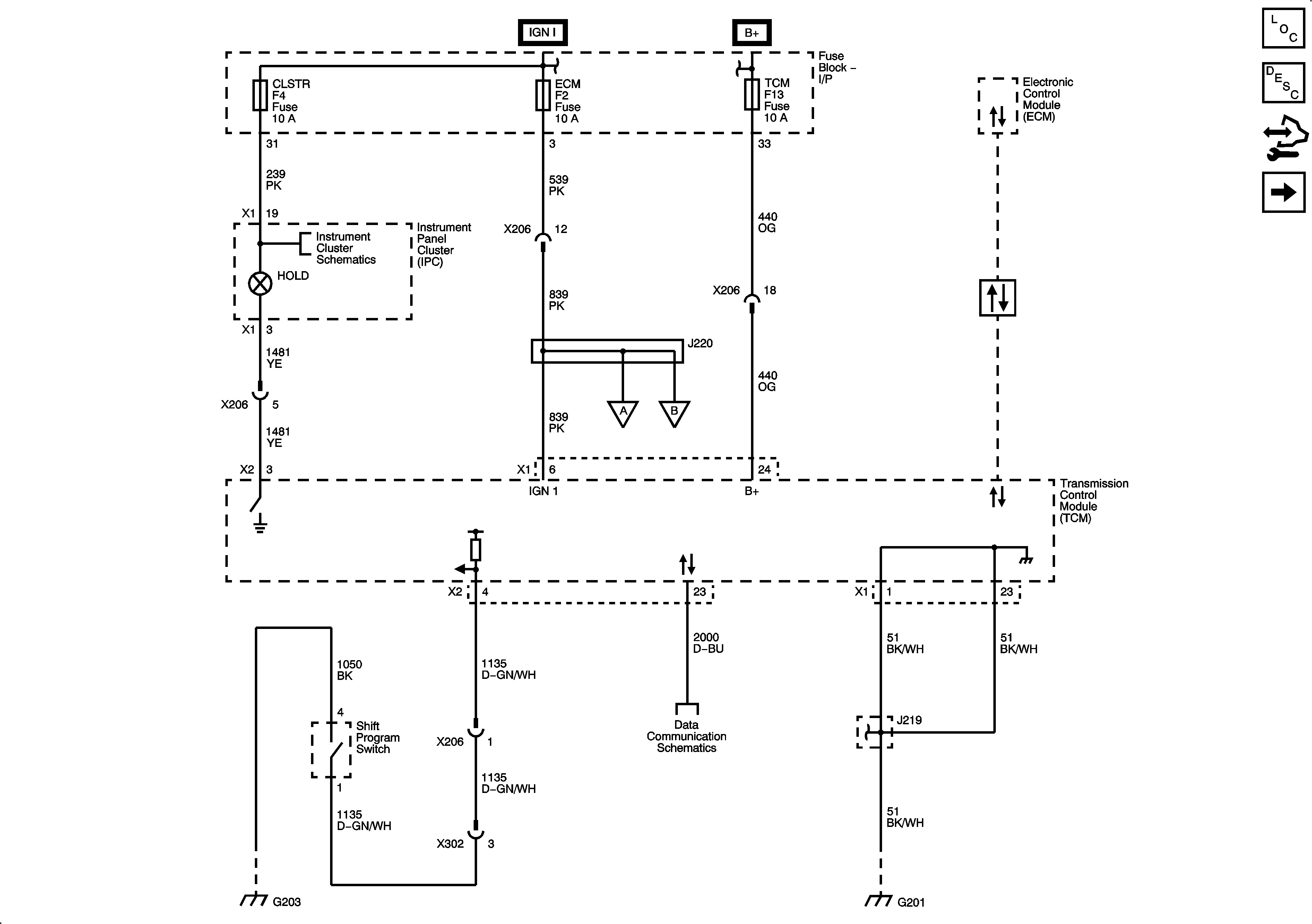
🢒 Module Power, Ground, Malfunction Indicator Lamp (MIL), Hold Lamp, and Serial Data
Module Power, Ground, Malfunction Indicator Lamp (MIL), Hold Lamp, and Serial Data
Module Power, Ground, Malfunction Indicator Lamp (MIL), Hold Lamp and Serial Data
Master Electrical Component List
Control Module References
Stop Lamp Switch and Transmission Solenoids
Fuse Block - Underhood B+ Bus, 1 of 3
Fuse Block - Underhood B+ Bus, 1 of 3
Vehicle Speed and Input Speed Sensors
Park/Neutral Position (PNP) Switch
Data Communication
G101
G203
G201 - 1 of 2