GM Service Manual Online
For 1990-2009 cars only
Makes
🢒
Chevrolet
🢒
2008
🢒
Optra
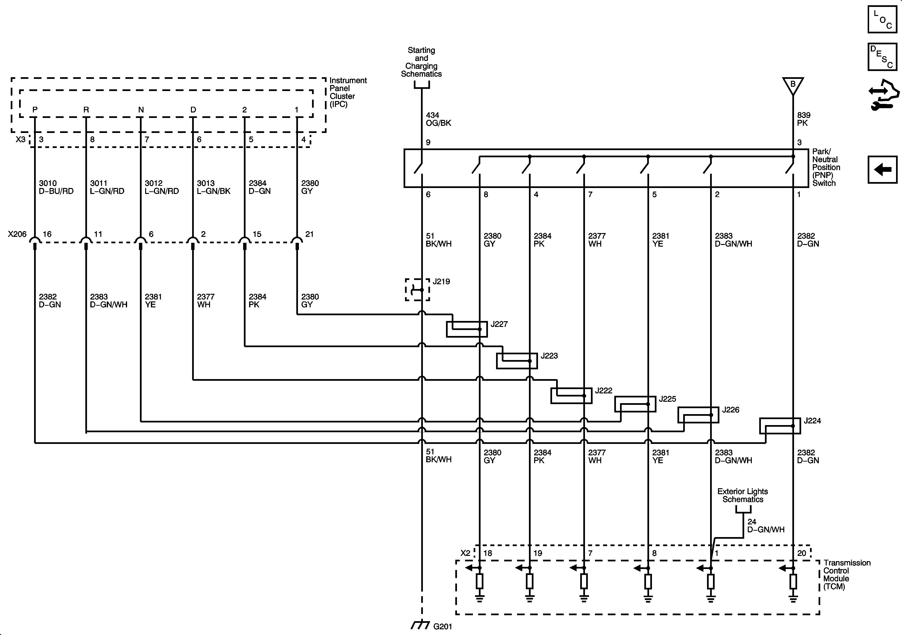
🢒 Park/Neutral Position (PNP) Switch
Park/Neutral Position (PNP) Switch
Park/Neutral Position (PNP) Switch
Master Electrical Component List
Control Module References
Vehicle Speed and Input Speed Sensors
Starting
Module Power, Ground, Malfunction Indicator Lamp (MIL), Hold Lamp, and Serial Data
Park Lamps and License Plate Lamps
G201 - 1 of 2