GM Service Manual Online
For 1990-2009 cars only
Makes
🢒
Chevrolet
🢒
2008
🢒
Optra
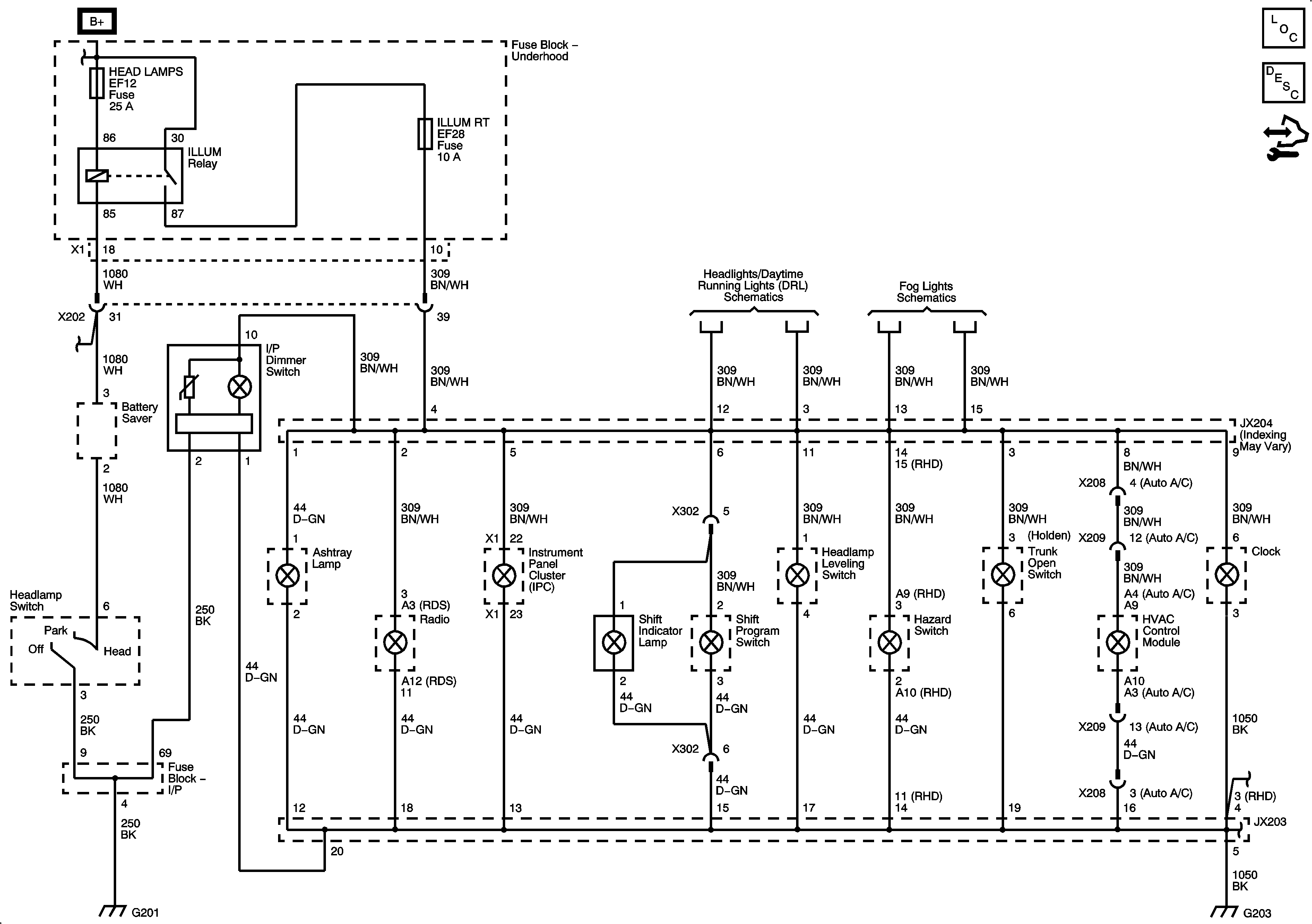
🢒 Interior Lights Dimming Schematics
Interior Lights Dimming Schematics
Master Electrical Component List
Control Module References
Fuse Block - Underhood B+ Bus, 1 of 3
Headlights Schematics (RHD)
Front Fog Lamps - LHD Except North America
G201 - 1 of 2
G101
G101
G203