GM Service Manual Online
For 1990-2009 cars only
Makes
🢒
Chevrolet
🢒
2008
🢒
Optra
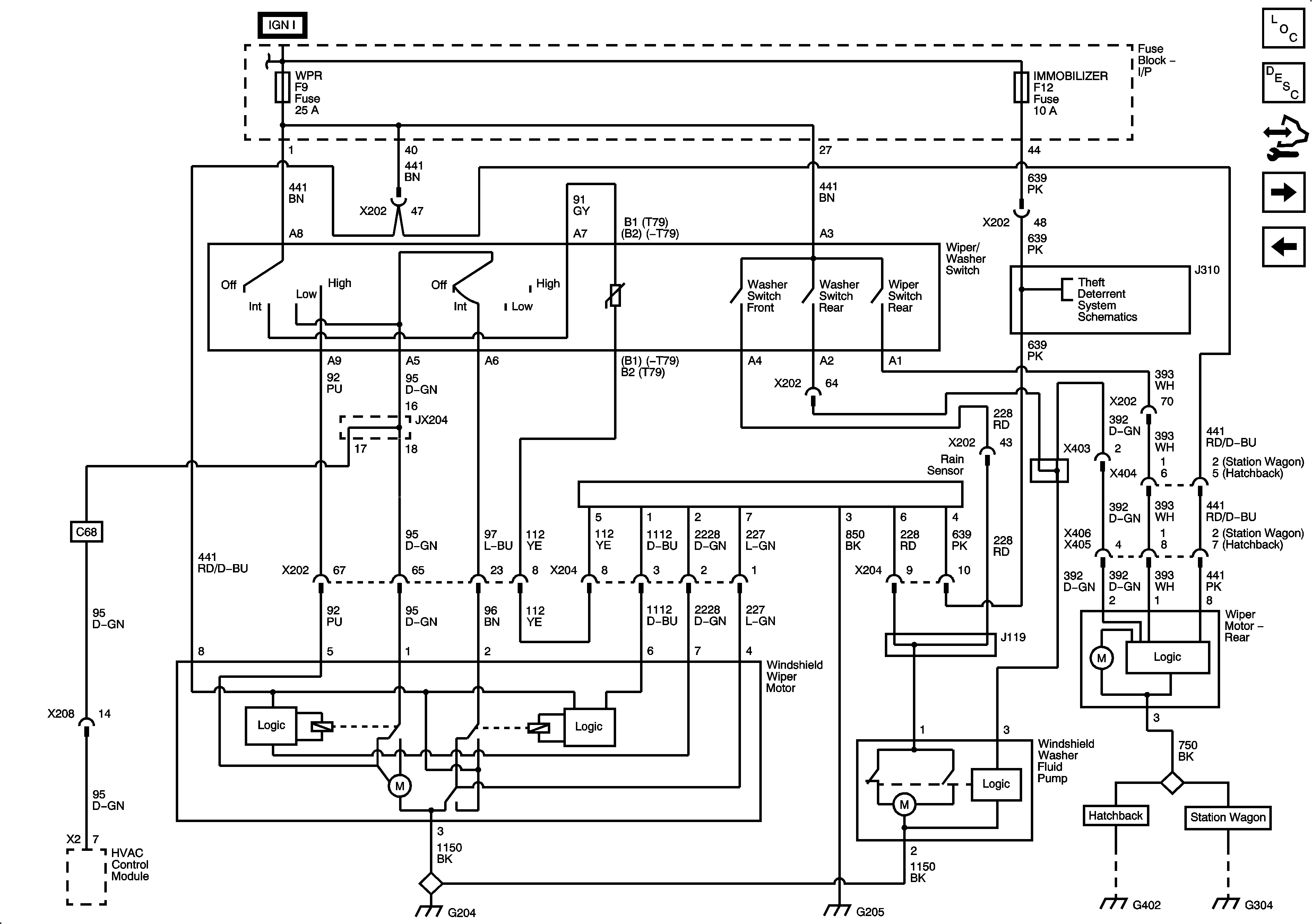
🢒 Wiper System Hatchback and Station Wagon w/Intermittent and Rain Sensor
Wiper System Hatchback and Station Wagon w/Intermittent and Rain Sensor
Wiper System - Hatchback and Station Wagon w/Intermittent and Rain Sensor
Master Electrical Component List
Control Module References
Wiper System Hatchback and Station Wagon w/Rain Sensor
Fuse Block - Underhood B+ Bus, 1 of 3
Remote Function
G202, G204
G205, G301
G101
G402
G304