GM Service Manual Online
For 1990-2009 cars only
Makes
🢒
Chevrolet
🢒
2008
🢒
Optra
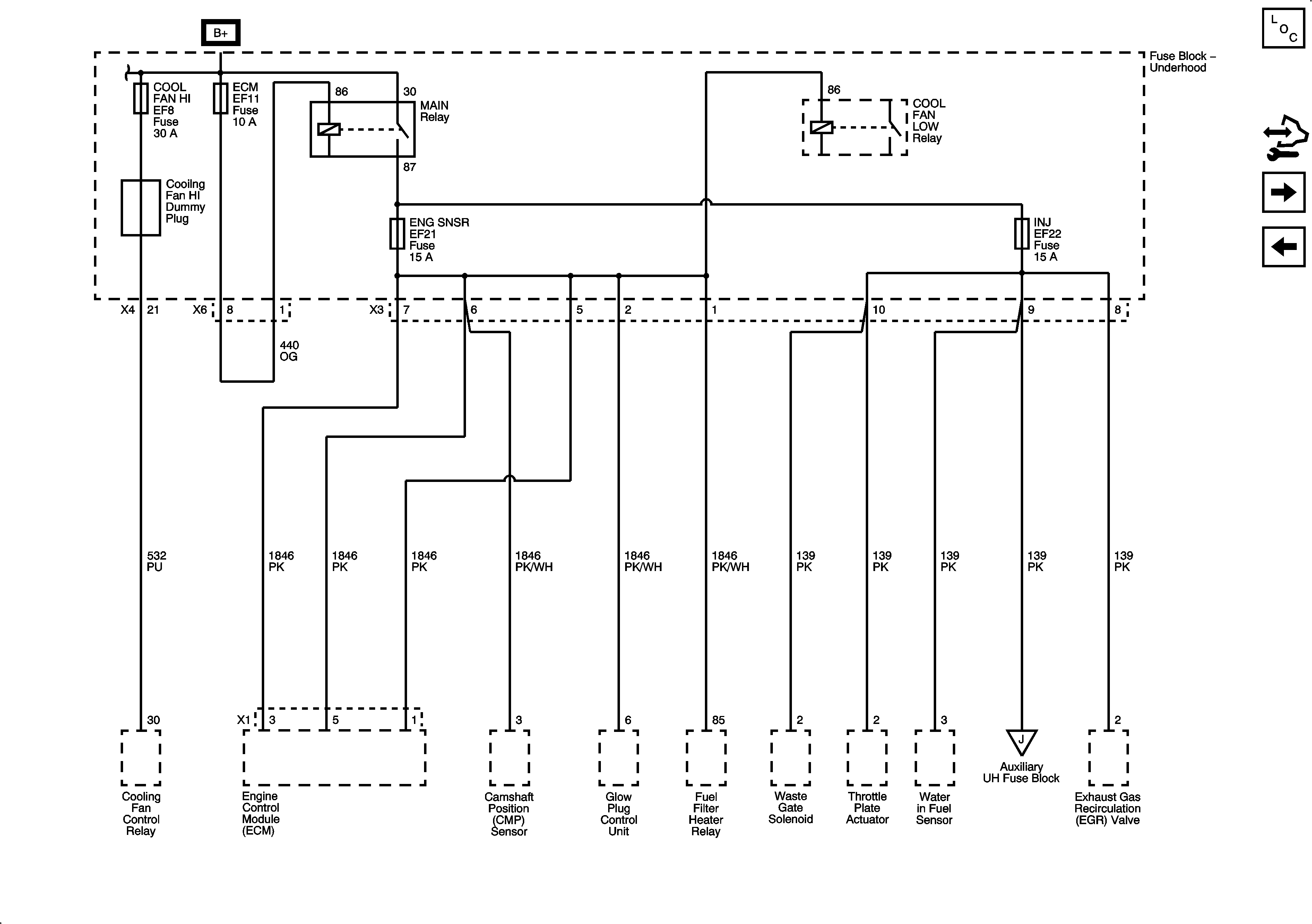
🢒 Fuse Block - Underhood MAIN Relay, COOL FAN HI, ECM, ENG SNSR and INJ Fuses - 2.0L Diesel
Fuse Block - Underhood MAIN Relay, COOL FAN HI, ECM, ENG SNSR and INJ Fuses - 2.0L Diesel
Fuse Block - Underhood MAIN Relay, COOL FAN HI, ECM, ENG SNSR and INJ Fuses - 2.0L Diesel
Master Electrical Component List
Control Module References
Fuse Block - Underhood FUEL PUMP Relay and FUEL PUMP, IGN COIL Fuses
Fuse Block - Underhood MAIN Relay, ECM, ENG SNSR and INJ Fuses - 2.0L (L34)
Fuse Block - Underhood B+ Bus, 3 of 3 and Auxiliary Fuse Block