GM Service Manual Online
For 1990-2009 cars only
Makes
🢒
Chevrolet
🢒
2008
🢒
Optra
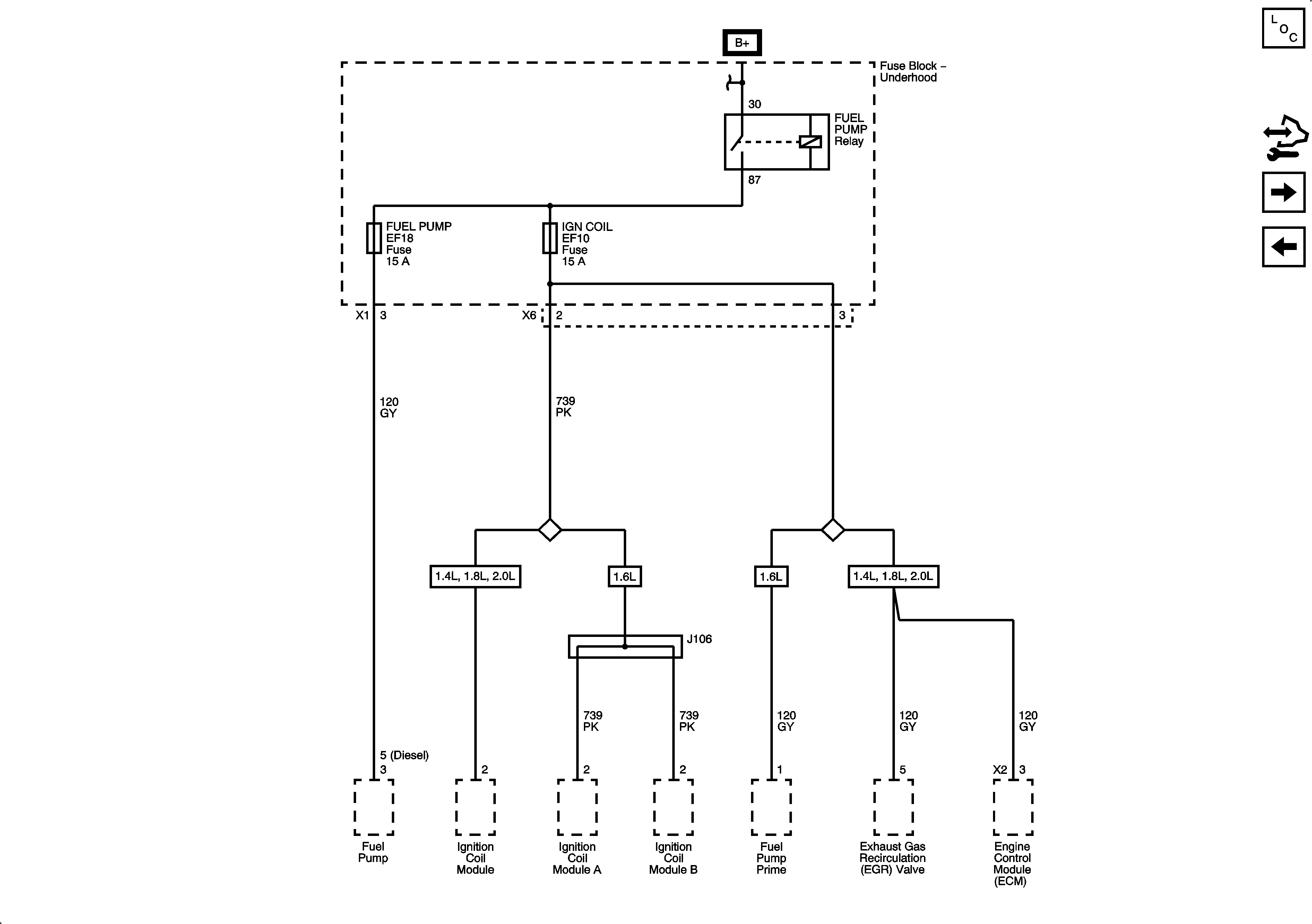
🢒 Fuse Block - Underhood FUEL PUMP Relay and FUEL PUMP, IGN COIL Fuses
Fuse Block - Underhood FUEL PUMP Relay and FUEL PUMP, IGN COIL Fuses
Fuse Block - Underhood FUEL PUMP Relay and FUEL PUMP, IGN COIL Fuses
Master Electrical Component List
Control Module References
Fuse Block - Underhood BATT MAIN, IGN 1, IGN 2 Fuses, Ignition Switch, Fuse Block-I/P RADIO, IMMOBILIZER, DLC, A/C CLK, HAZARD, RKE, TCM, REAR FOG Fuses
Fuse Block - Underhood MAIN Relay, COOL FAN HI, ECM, ENG SNSR and INJ Fuses - 2.0L Diesel
Fuse Block - Underhood B+ Bus, 1 of 3