GM Service Manual Online
For 1990-2009 cars only

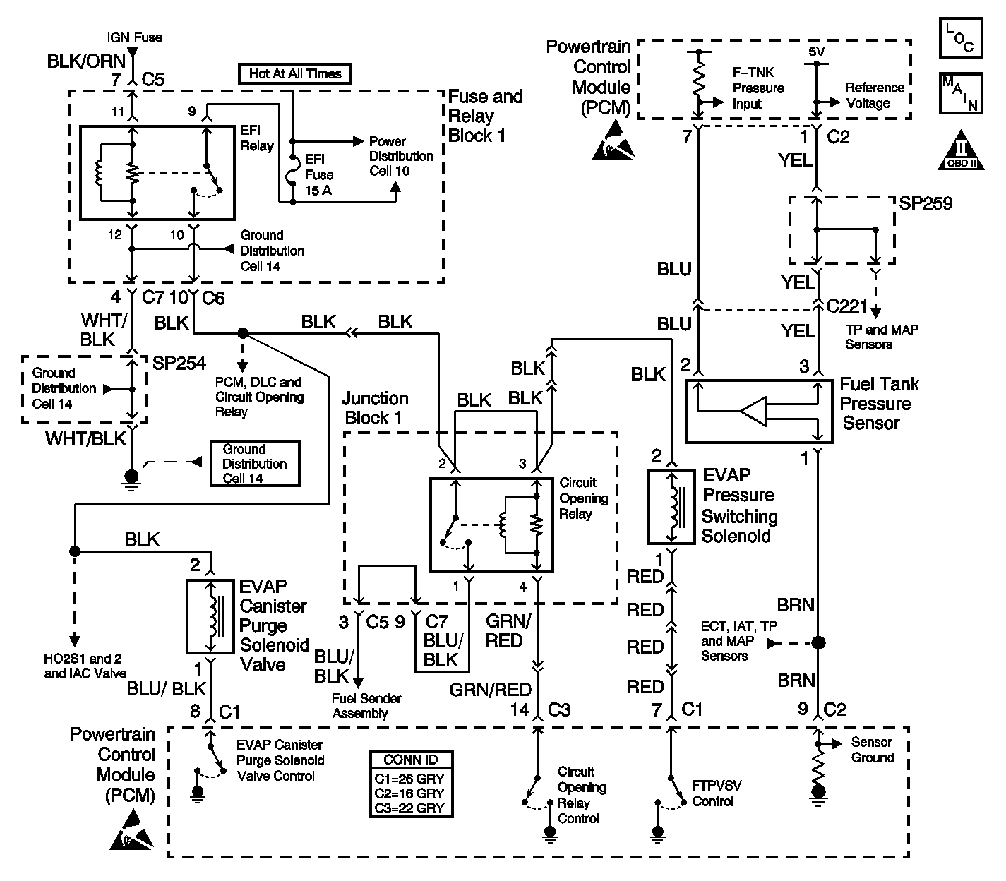
Object Number: 245518  Size: LF
Engine Controls Components
Cell 20: EVAP Controls, IAC, PSP Switch
OBD II Symbol Description Notice
Handling ESD Sensitive Parts Notice
Handling ESD Sensitive Parts Notice

Circuit Description

The PCM monitors the positive or negative pressure in the fuel tank using the fuel tank pressure sensor. Under certain engine operating conditions, the PCM turns ON the EVAP pressure switching solenoid in order to monitor the positive or negative pressure in different sides of the EVAP system. The PCM is able to detect any abnormal conditions by the fluctuation of this pressure. The diagnostics performed by the fuel tank pressure sensor can warn the driver of a malfunction in the EVAP system by illuminating the MIL. The EVAP control system prevents the emission of the fuel vapors. The fuel vapor generated in the fuel tank while driving or idling enters the EVAP canister where a charcoal element absorbs and stores the fuel vapor. The EVAP canister is purged (cleaned) by the PCM controlled EVAP canister purge solenoid valve. The EVAP canister purge solenoid valve releases the fuel vapors into the intake manifold to be burned in the combustion process.

Conditions for Running the DTC

    • Engine coolant temperature is greater than 70°C (158°F).
    • The vehicle has been driven for at least 20 minutes.
    • Fuel tank level is between 25 and 75%.

Conditions for Setting the DTC

The fuel tank pressure sensor indicates atmospheric pressure in the fuel tank.

Action Taken When the DTC Sets

    • The PCM illuminates the malfunction indicator lamp (MIL) after two consecutive ignition cycles in which the diagnostic runs with the fault active.
    • The PCM records the operating conditions at the time the diagnostic fails. This information is stored in the Freeze Frame buffer.

Conditions for Clearing the MIL/DTC

    • The PCM turns OFF the MIL on the third consecutive trip cycle during which the diagnostic has been run and the fault condition is no longer present.
    • A DTC will clear after 40 consecutive warm-up cycles have occurred without a fault.
    • A DTC can be cleared by using the scan tool Clear Information function.

Diagnostic Aids

If a DTC P0441, P0446, or P0450 is set, daignose those DTCs first.

A DTC P0440 is more likely to set during city driving. Avoid operating the vehicle on the highway when validating a DTC P0440.

The DTC P0440 daignostic checks for EVAP system leaks on the fuel tank side of the EVAP system. A fault in the fuel tank pressure sensor or a leak in any of the fuel tank components can cause a DTC P0440 to set. Check for any of the following conditions:

    • A faulty fuel tank pressure sensor
    • A loose or faulty fuel tank filler cap
    • A factory correct fuel tank filler cap
    • A faulty or leaking fill limiter vent valve (FLVV)
    • A leak in the fuel tank
    • A faulty or leaking EVAP canister
    • Damaged or leaky hoses, lines, or fittings between the fuel tank, the fuel tank presssure sensor, and the EVAP canister.

For functional checks of the components listed above, Refer to Evaporative Emission Control System Diagnosis .

An intermittent malfunction may be caused by a fault in the fuel tank pressure sensor electrical circuit. Inspect the wiring harness and components for any of the following conditions:

    • Backed out terminals.
    • Improper mating of terminals.
    • Broken electrical connectors locks.
    • Improperly formed or damaged terminals
    • Faulty terminal to wire connections.
    • Physical damage to the wiring harness.
    • A broken wire inside the insulation.
    • Corrosion of electrical connections, splices, or terminals.

Repair any electrical circuit faults that were found. Refer to Wiring Repairs in Wiring Systems.

If the DTC P0440 cannot be duplicated, the information included in the Freeze Frame data can be useful in determining vehicle operating conditions when the DTC was first set.

Test Description

The numbers below refer to the step numbers in the Diagnostic Table.

  1. The OBD System Check prompts the technician to complete some basic checks and store the freeze frame data on the scan tool if applicable. This creates an electronic copy of the data taken when the fault occurred. The information is then stored in the scan tool for later reference.

  2. This step checks for a possible leak in the EVAP system from the fuel tank to the fuel tank pressure sensor. Normal operation of the EVAP canister prevents EVAP system pressure from exceeding 3.3 mm Hg (6.0 in H2O). The purpose of this inspection is to determine whether 5 to 6 inches of H2O can be obtained and held for at least 2 minutes.

  3. This step checks whether a fuel tank pressure sensor malfunction is present. The input signal voltage of the fuel tank pressure sensor should indicate atmospheric pressure, 3.0 to 3.6 volts, with the fuel tank filler cap removed. The fuel tank pressure sensor voltage will vary with atmospheric pressure. A typical voltage at sea level is 3.2-3.3 volts.

  4. When the EVAP pressure switching solenoid turns ON, fuel tank vapor pressure is applied to the fuel tank pressure sensor thru the EVAP canister. Turning ON the EVAP pressure switching solenoid while pressurizing the fuel tank should cause the fuel tank pressure sensor voltage to increase.

  5. This step checks for a condition that causes fuel vapor pressure to remain trapped at the fuel tank pressure sensor.

  6. This step checks whether the malfunction that caused the DTC P0440 is still present. Operating the vehicle in check mode enhances the PCM's diagnostic capabilities. The EVAP Purge diagnostic can be monitored on the scan tool under the MIL/System Status selection of System Information. When the EVAP Purge test displays a YES status (indicating that the purge system diagnostic is completed) check for a DTC P0440 in the Last Test Failed screen of the scan tool. If there is no DTC P0440 displayed the EVAP purge system diagnostic has run and passed, indicating that no malfunction was present this time. DTCs MUST BE CLEARED in order to view the CURRENT STATUS of the system diagnostics being performed. Do not forget that the MIL/System Status tests only indicate that the test has run, not whether the test passed or failed. The Last Test Failed screen must be checked for related DTCs in order to determine the outcome of the diagnostic test involved. For additional information on check mode operation refer to Powertrain Control Module Diagnosis.

  7. This step checks for leaks in the fuel supply system. By plugging the ORVR vent line and the EVAP vapor line, the fuel tank, the fuel filler hose assembly, and the fuel tank components can be pressurized and checked for leaks. Be sure to check all connections and sealing points for leaks.

Step

Action

Value(s)

Yes

No

1

Did you perform the Powertrain On-Board Diagnostic (OBD) System Check?

--

Go to Step 2

Go to Powertrain On Board Diagnostic (OBD) System Check

2

  1. Install a scan tool.
  2. Check for DTCs.

Is a DTC P0450 present?

--

Go to DTC P0450 Fuel Tank Pressure Sensor Circuit

Go to Step 3

3

Is a DTC P0441 or P0446 set along with the DTC P0440?

--

Diagnose the P0441 or P0446 DTC First

Go to Step 4

4

  1. Visually and physically inspect all of the following components for cracks, leaks, or damage:
  2. • The fuel tank filler cap (gas cap loose)
    • The fuel tank pressure sensor
    • The fuel tank
    • The EVAP canister
    • The fuel supply system lines, hoses, and fittings
  3. Repair as necessary.

Was repair necessary?

--

Go to Step 23

Go to step 5

5

  1. Remove the fuel filler cap and install the gas cap adapter (J 41415-30) to the fuel filler pipe.
  2. Connect the EVAP pressure/purge cart (J 41413) to the gas cap adapter.
  3. Pressurize the EVAP system, with the EVAP pressure/purge cart, to the specified value and switch to HOLD.

Does the EVAP system hold the specified pressure for at least 2 minutes?

8.5-10.5 mm Hg (4.5-5.5 in. H2O)

Go to Step 6

Go to Step 18

6

  1. Loosen the fuel tank filler cap.
  2. Remove the left side driver compartment kick panel.
  3. Turn ON the ignition, leaving the engine OFF.
  4. Backprobe the fuel tank pressure sensor input circuit (BLU wire) at C221 with a DMM connected to ground.

Does the DMM read within the specified value?

3.0-3.6 volts

Go to Step 7

Go to Step 9

7

  1. Install a scan tool.
  2. Select the EVAP pressure switching solenoid Output Control feature on the scan tool.
  3. Pressurize the EVAP system, with the EVAP pressure/purge cart, to the first specified value and switch to HOLD.
  4. Turn ON the EVAP pressure switching solenoid with the scan tool.
  5. Backprobe the fuel tank pressure sensor input circuit (BLU wire) at C221 with a DMM connected to ground.

Is the voltage indicated by the DMM within the second specified value?

8.5-10.5 mm Hg (4.5-5.5 in. H2O)

4.2-4.6 volts

Go to Step 17

Go to Step 8

8

  1. Check for a leak in the following components:
  2. • The EVAP pressure switching solenoid
    • The 3 vacuum/vapor hoses connected to the EVAP pressure switching solenoid
  3. Repair or replace as necessary.

Was a repair necessary?

--

Go to Step 23

Go to Step 18

9

  1. Disconnect the vapor pressure supply hose to the fuel tank pressure sensor.
  2. Check the fuel tank pressure sensor input circuit voltage at C221 with the DMM.

Is the voltage within the specified value?

3.0-3.6 volts

Go to Step 10

Go to Step 11

10

  1. Repair the cause of the trapped vapor pressure to the fuel tank pressure sensor. Check for any of the following conditions:
  2. • Pinched, crushed, or restricted EVAP lines and hoses
    • Blocked or restricted EVAP components
    • Faulty EVAP solenoids or EVAP canister. Refer to Evaporative Emission Control System Diagnosis .
  3. Repair as necessary.

Is the action complete?

--

Go to Step 23

--

11

  1. Turn OFF the ignition.
  2. Disconnect the fuel tank pressure sensor electrical connector.
  3. Turn ON the ignition, leaving the engine OFF.
  4. Measure the voltage from the fuel tank pressure sensor connector cavity 3 (harness side), using a DMM.

Does the DMM read the specified value?

5.0 volts

Go to Step 12

Go to Step 13

12

Measure the voltage from the fuel tank pressure sensor connector cavity 2 (harness side) with a DMM.

Does the DMM read near the specified value?

4.9 volts

Go to Step 15

Go to Step 14

13

  1. Check the fuel tank pressure sensor reference voltage circuit for an open or short.
  2. Repair as necessary. Refer to Wiring Repairs in Wiring Systems.

Was a repair necessary?

--

Go to Step 23

Go to Step 22

14

  1. Check the fuel tank pressure sensor input circuit for an open or short.
  2. Check that the input circuit is not shorted to the sensor ground circuit.
  3. Repair as necessary. Refer to Wiring Repairs in Wiring Systems.

Was a repair necessary?

--

Go to Step 23

Go to Step 22

15

Probe the fuel tank pressure sensor connector cavity 1 (harness side) with a test lamp connected to battery voltage.

Does the test lamp illuminate?

--

Go to Step 21

Go to Step 16

16

  1. Check for an open fuel tank pressure sensor ground circuit.
  2. Repair as necessary. Refer to Wiring Repairs in Wiring Systems.

Was a repair necessary?

--

Go to Step 23

Go to Step 22

17

  1. Perform the scan tool Clear DTC Information function.
  2. Place the vehicle into Check Mode using the scan tool.
  3. Operate the vehicle within the Freeze Frame conditions as specified or until the EVAP Purge test is complete. Refer to the Test Description.
  4. Check for DTCs.

Did a DTC P0440 set?

--

Go to Step 19

Fault Not Present-Go to Diagnostic Aids

18

Refer to the Evaporative Emission Control System Operation Description for the EVAP system hose routing schematic used in the following procedure.

  1. Remove the ORVR vent line from the EVAP canister and plug the hose.
  2. Remove the EVAP vapor line from the EVAP canister and plug the hose.
  3. Attempt to pressurize the EVAP system to the specified value with the EVAP pressure/purge cart (J 41413) and HOLD.
  4. Locate any leaks in the EVAP system using the ultrasonic leak detector (J 41416). If necessary lower the fuel tank in order to check the condition of the fill limiter vent valve and the rollover valve. Be sure to check the fuel sender assembly for a correct seal.

Were any EVAP or fuel supply system leaks found?

56 mm Hg (30 in. H2O)

Go to Step 20

Go to Step 19

19

Replace the malfunctioning/leaking EVAP canister.

Is the action complete?

--

Go to Step 23

--

20

Repair or replace the leaking EVAP system or fuel tank component.

Is the action complete?

--

Go to Step 23

--

21

Replace the fuel tank pressure sensor. Refer to Fuel Tank Pressure Sensor Replacement .

Is the action complete?

--

Go to Step 23

--

22

Replace the PCM. Refer to Powertrain Control Module Replacement .

Is the action complete?

--

Go to Step 23

--

23

  1. Perform the scan tool Clear DTC Information function.
  2. Operate the vehicle within the Freeze Frame data that set the original DTC.
  3. Review the scan tool data and check for DTCs. The repair is complete if no DTCs are stored.

Are any DTCs displayed on scan tool?

--

Go to the applicable DTC table

System OK