GM Service Manual Online
For 1990-2009 cars only
Makes
🢒
Chevrolet
🢒
2000
🢒
Prizm
🢒
Body and Accessories
🢒
Lighting Systems
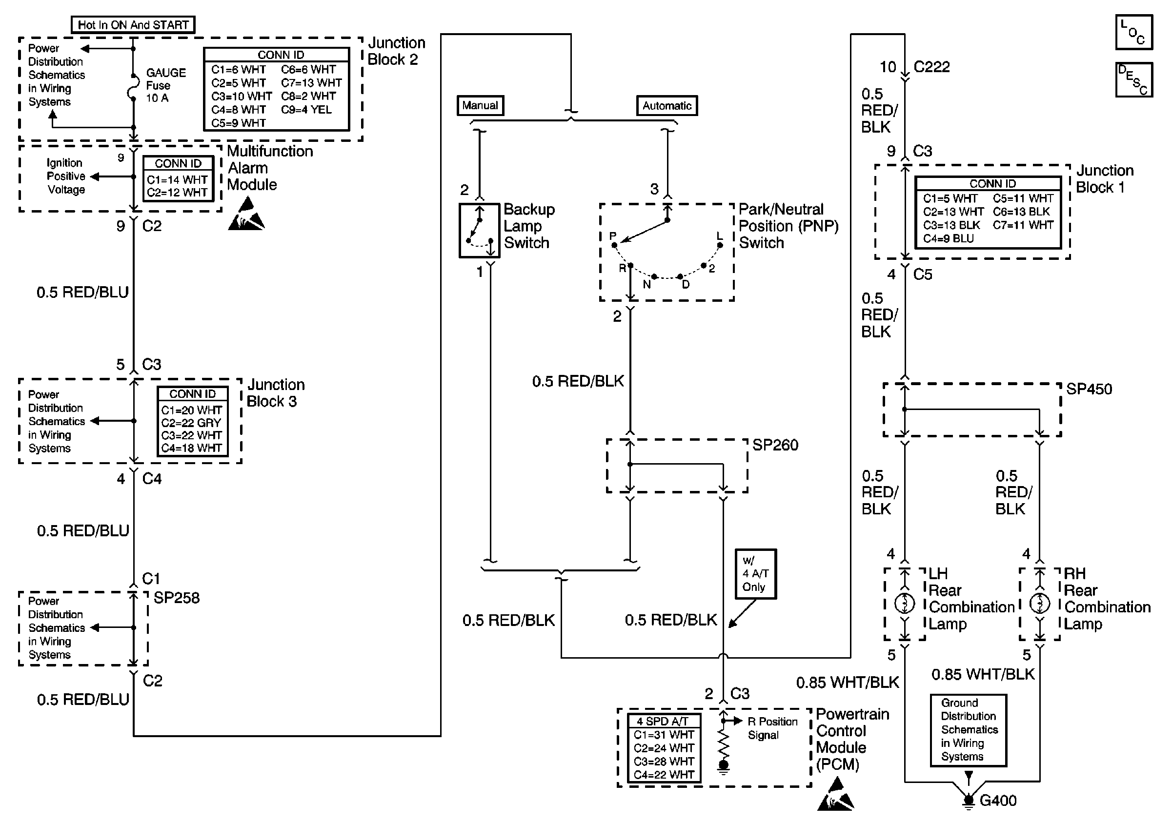
🢒 Backup Lamp Schematics
PNP Switch and Back-up Lamps
Lighting Systems Components
Backup Lamp Circuit Description
Handling ESD Sensitive Parts Notice
Handling ESD Sensitive Parts Notice
Cell 10: ECU-IG, Turn, WIP Fuse
Cell 10: ECU-IG, Turn, WIP Fuse
Cell 10: ECU-IG, Turn, WIP Fuse
Cell 14: G300, G400, G301, and SP451