GM Service Manual Online
For 1990-2009 cars only
Makes
🢒
Chevrolet
🢒
2000
🢒
Prizm
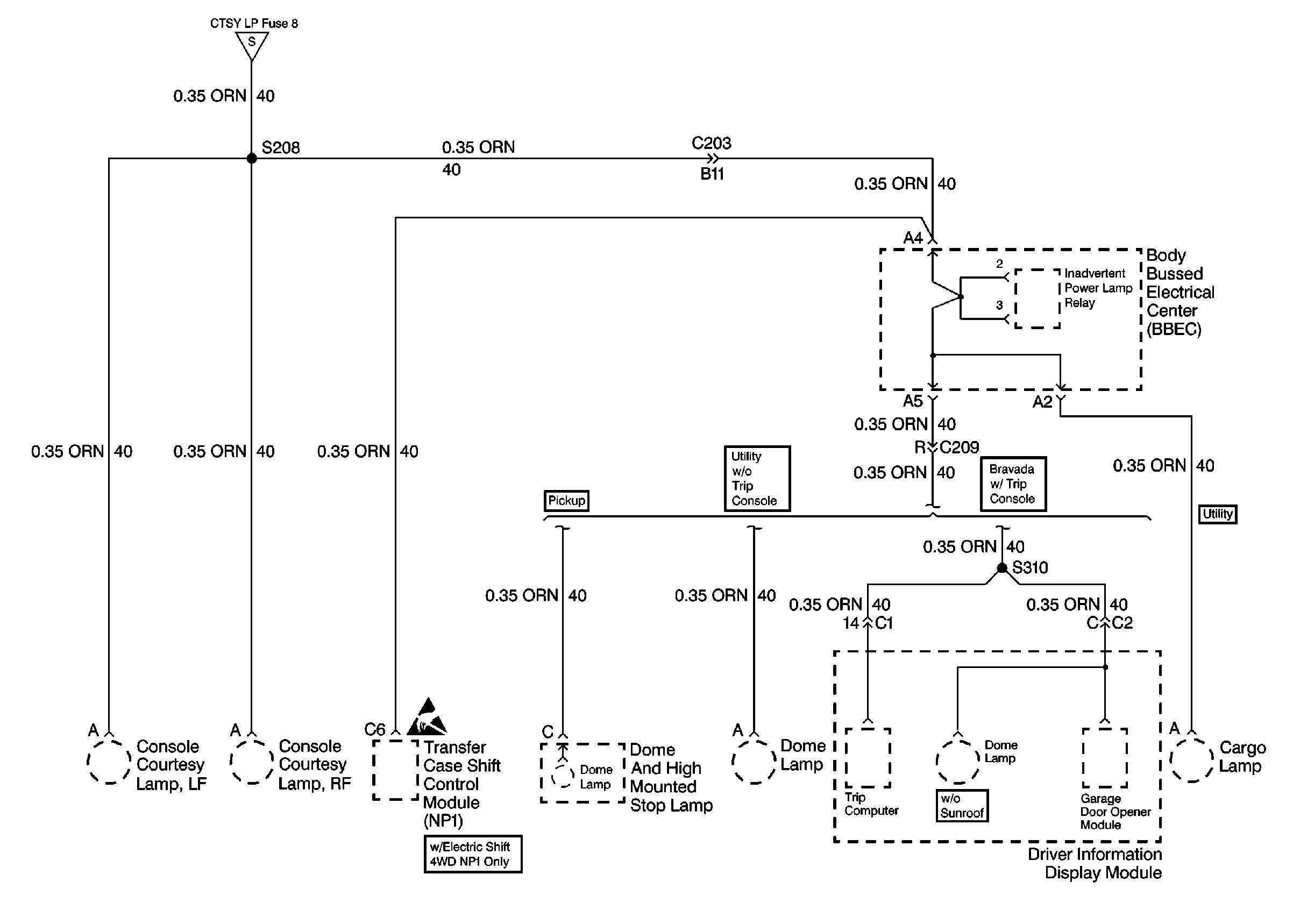
🢒 Cell 10: BBEC, S208 and S310
Cell 10: BBEC, S208 and S310
Cell 10: BBEC, S208 and S310
Power and Grounding Components
Cell 10: Ignition Switch
Cell 10: BBEC
Cell 10: AUX PWR, RDO BATT, MIR/LKS, HDLP SW, AMPF, PWR LKS, CTSY LP, and CIGAR LTR Fuses
Handling ESD Sensitive Parts Notice