GM Service Manual Online
For 1990-2009 cars only
Makes
🢒
Chevrolet
🢒
2000
🢒
Prizm
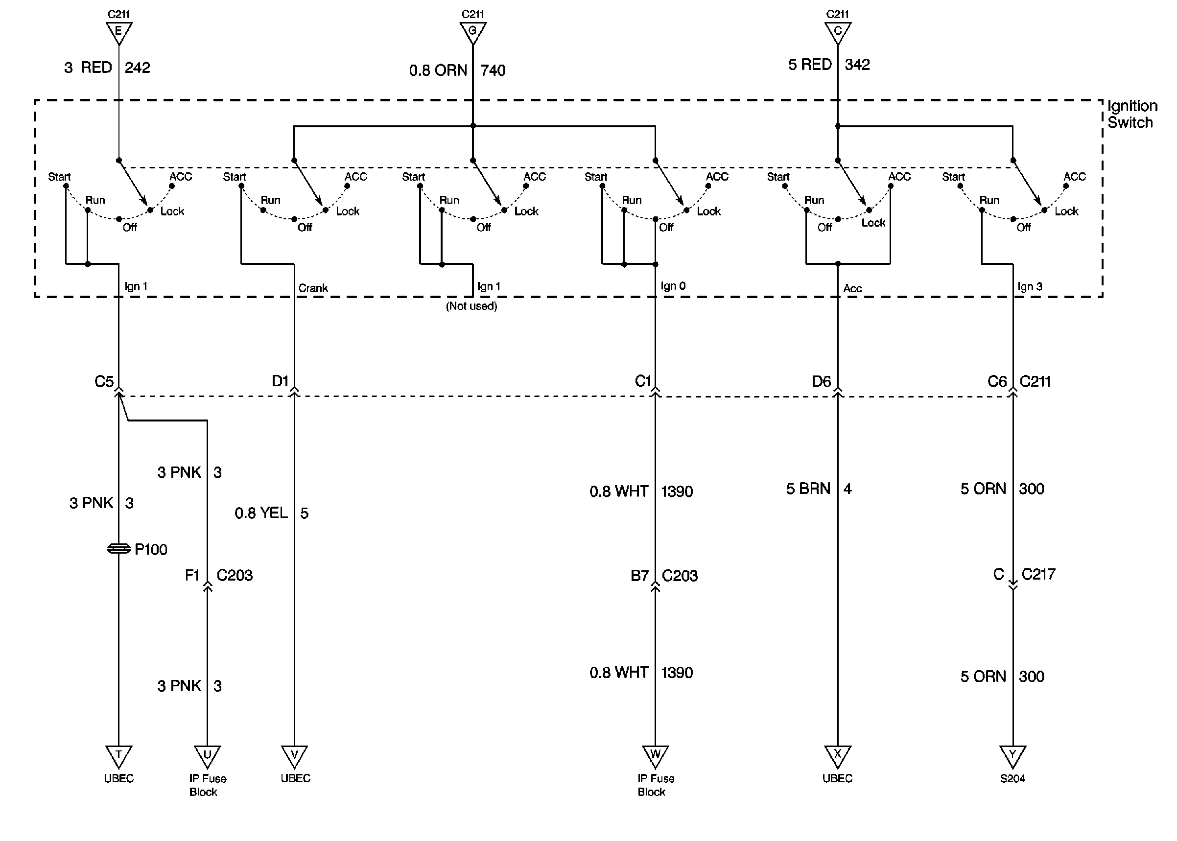
🢒 Cell 10: Ignition Switch
Cell 10: Ignition Switch
Cell 10: Ignition Switch
Power and Grounding Components
Cell 10: IGN E, B/U LP and OXYSEN Fuses
Cell 10: BBEC, S208 and S310
Cell 10: 175 A Mega® Fuse, Stud 2, INT BATT, IGN B, RAP, ABS, and IGN A MaxiFuses®
Cell 10: TBC, IGN C, HTD SEAT, and ATC Fuses
Cell 10: 175 A Mega® Fuse, Stud 2, INT BATT, IGN B, RAP, ABS, and IGN A MaxiFuses®
Cell 10: IGN E, B/U LP and OXYSEN Fuses
Cell 10: TURN, SIR and GAUGES Fuses
Cell 10: CRANK Fuse
Cell 10: CLSTR Fuse
Cell 10: RDO IGN, RR WPR, and FRT WPR Fuses
Cell 10: ABS and HVAC 1 Fuses