GM Service Manual Online
For 1990-2009 cars only
Makes
🢒
Chevrolet
🢒
2000
🢒
Prizm
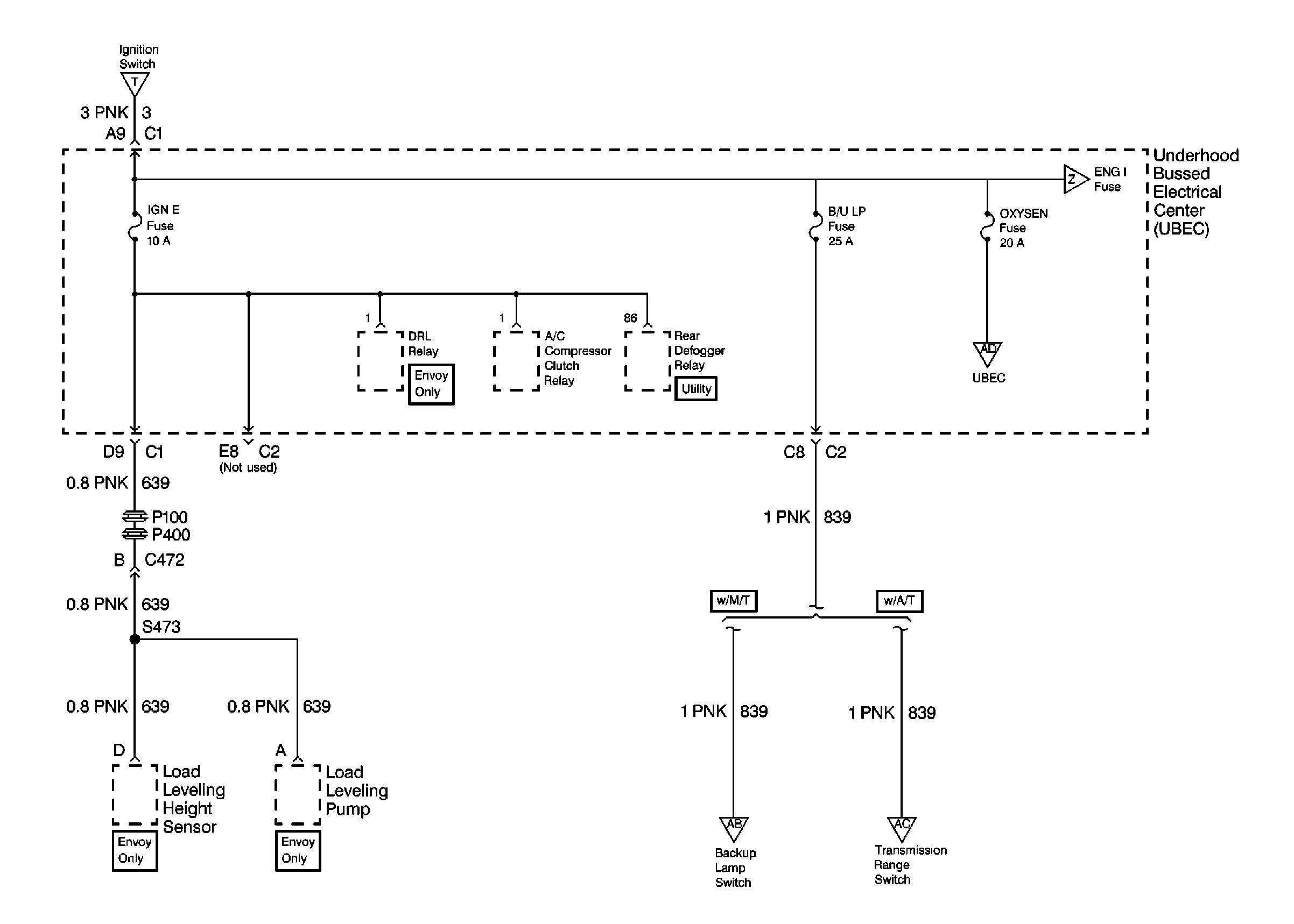
🢒 Cell 10: IGN E, B/U LP and OXYSEN Fuses
Cell 10: IGN E, B/U LP and OXYSEN Fuses
Cell 10: IGN E, B/U LP and OXYSEN Fuses
Power and Grounding Components
Cell 10: ENG 1 and ECM I Fuses
Cell 10: Ignition Switch
Cell 10: Ignition Switch
Cell 10: ENG 1 and ECM I Fuses
Cell 10: UBEC and S150
Cell 10: TRL B/U and VEH B/U Fuses (w/ M/T)
Cell 10: TRL B/U, VEH B/U, and BTSI Fuses (w/ A/T)