GM Service Manual Online
For 1990-2009 cars only
Makes
🢒
Chevrolet
🢒
2000
🢒
Prizm
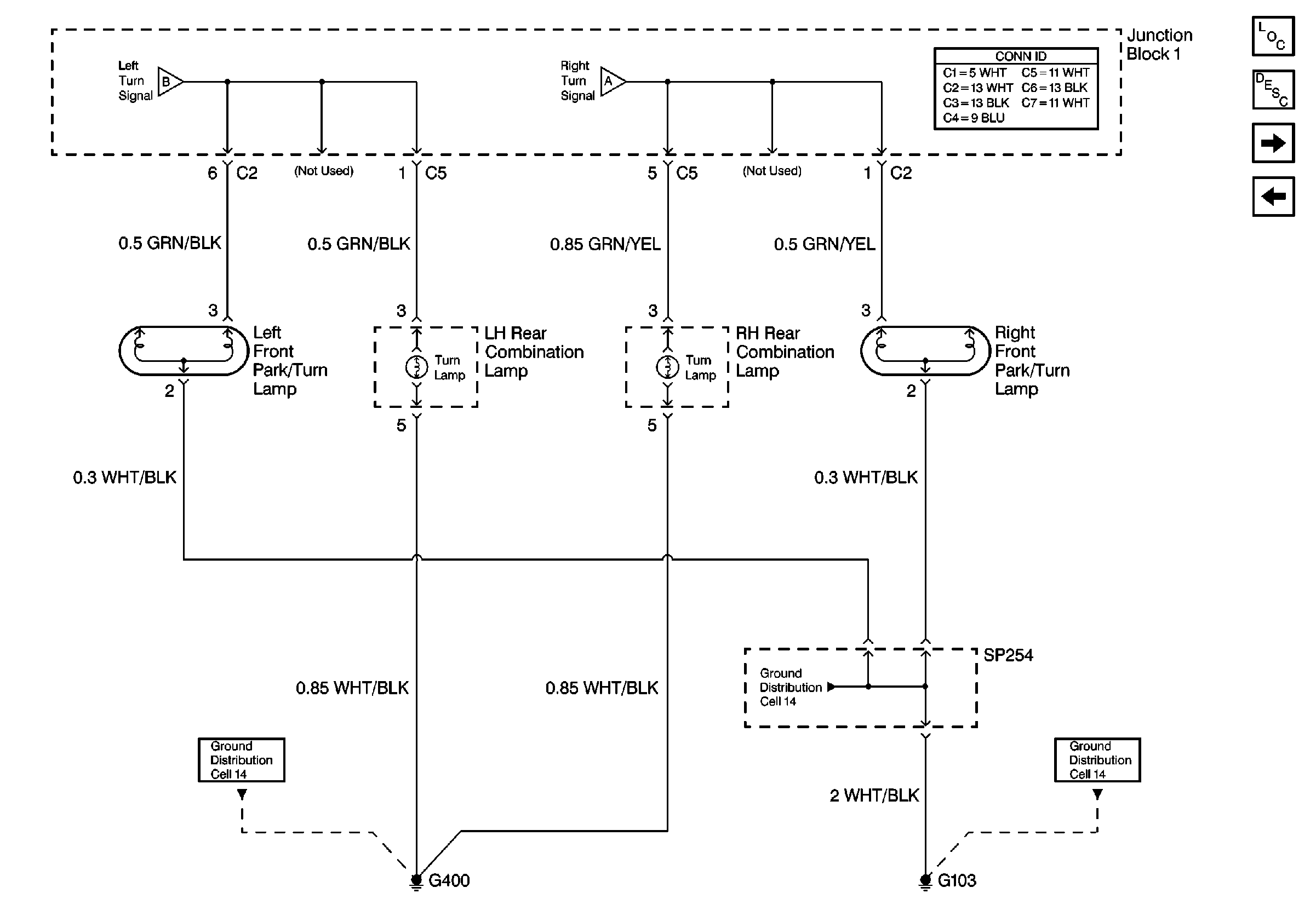
🢒 Cell 110: Lamps
Cell 110: Lamps
Cell 110: Lamps
Lighting Systems Component Views
Exterior Lights Circuit Description
Cell 110: Cruise Control Module and Stoplamp Switch
Cell 110: Hazard Switch, Turn/Hazard Flasher, and Turn Signal Switch
Cell 14: G300, G400, G301, and SP451
Cell 14: SP254 and SP261
Cell 14: Battery, G100, G101, G102, G103, and G104