GM Service Manual Online
For 1990-2009 cars only
Makes
🢒
Chevrolet
🢒
2000
🢒
Prizm
🢒 Cell 112
Cell 112
Cell 112
Lighting Systems Components
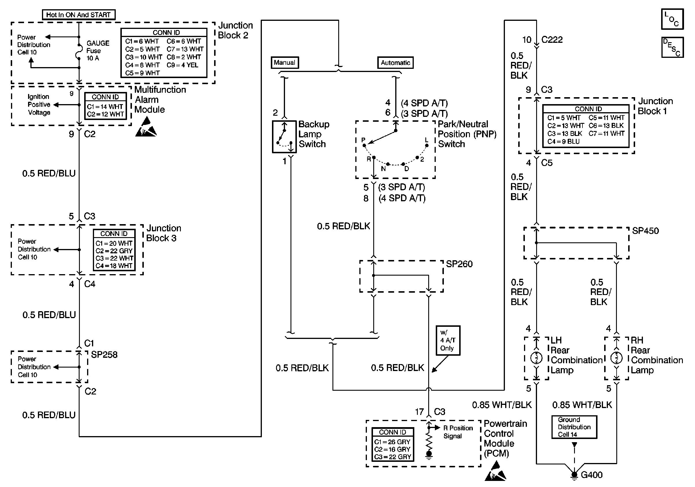
Backup Lamp Circuit Description
Handling ESD Sensitive Parts Notice
Handling ESD Sensitive Parts Notice
Cell 10: ECU-IG, Turn, WIP Fuse
Cell 10: ECU-IG, Turn, WIP Fuse
Cell 10: ECU-IG, Turn, WIP Fuse
Cell 14: G300, G400, G301, and SP451