GM Service Manual Online
For 1990-2009 cars only
Makes
🢒
Chevrolet
🢒
2000
🢒
Prizm
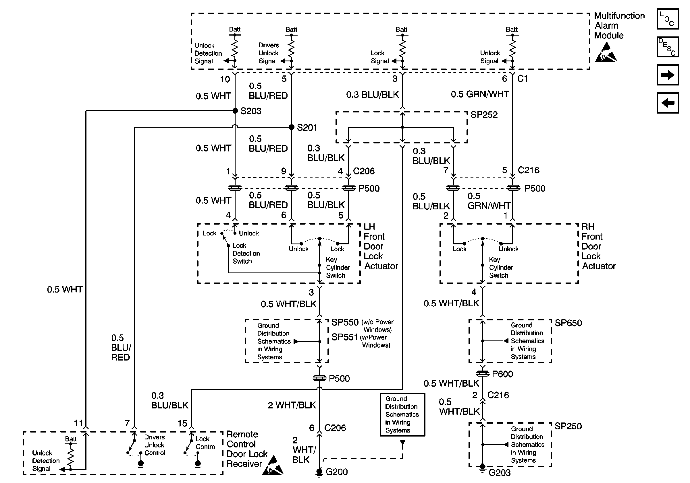
🢒 Cell 132: Remote Control Door Lock Receiver and Door Lock Actuators
Cell 132: Remote Control Door Lock Receiver and Door Lock Actuators
Cell 132: Remote Control Door Lock Receiver and Door Lock Actuators
Keyless Entry Components
Keyless Entry System Description
h132d
Cell 132: Ignition Key Alarm Switch, Remote Control Door Lock Receiver, and TAIL Relay
Handling ESD Sensitive Parts Notice
Handling ESD Sensitive Parts Notice
Cell 14: G200, G203, SP250 and SP650
Cell 14: G200, G203, SP250 and SP650
Cell 14: G200, G203, SP250 and SP650
Cell 14: SP550 and SP551