GM Service Manual Online
For 1990-2009 cars only
Makes
🢒
Chevrolet
🢒
2000
🢒
Prizm
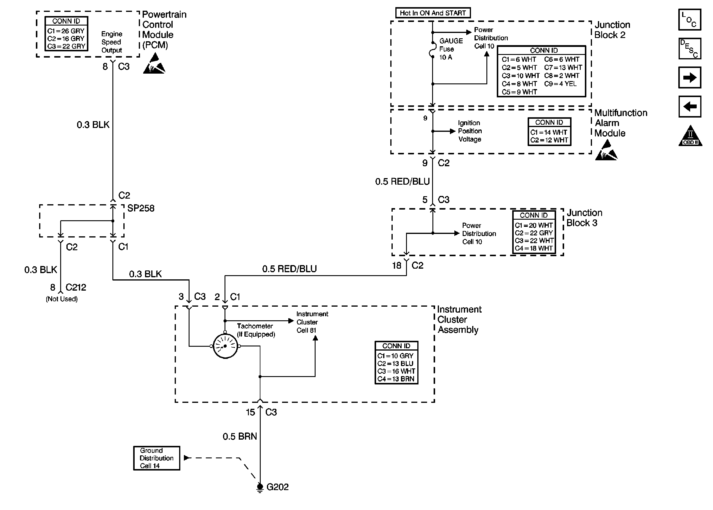
🢒 Cell 20: Tachometer
Cell 20: Tachometer
Cell 20: Tachometer
Engine Controls Components
Cell 20: Fuel Supply System
Cell 20: CMP and CKP Sensors
OBD II Symbol Description Notice
Handling ESD Sensitive Parts Notice
Handling ESD Sensitive Parts Notice
Cell 10: ABS, Alt, AMI, Def, D/L, ECU-B, HTR, ODB, Power, and Stop Fuses
Cell 10: Gauge Fuse
Cell 14: G105 and G106 (1 of 2)
Cell 81: ABS, Oil Pressure, MIL, O/D OFF, and Cruise Indicators