GM Service Manual Online
For 1990-2009 cars only
Makes
🢒
Chevrolet
🢒
2000
🢒
Prizm
🢒 Cell 30: Battery, CPP Switch, Fusible Link, Ignition Switch, ST Relay, and Starter
Cell 30: Battery, CPP Switch, Fusible Link, Ignition Switch, ST Relay, and Starter
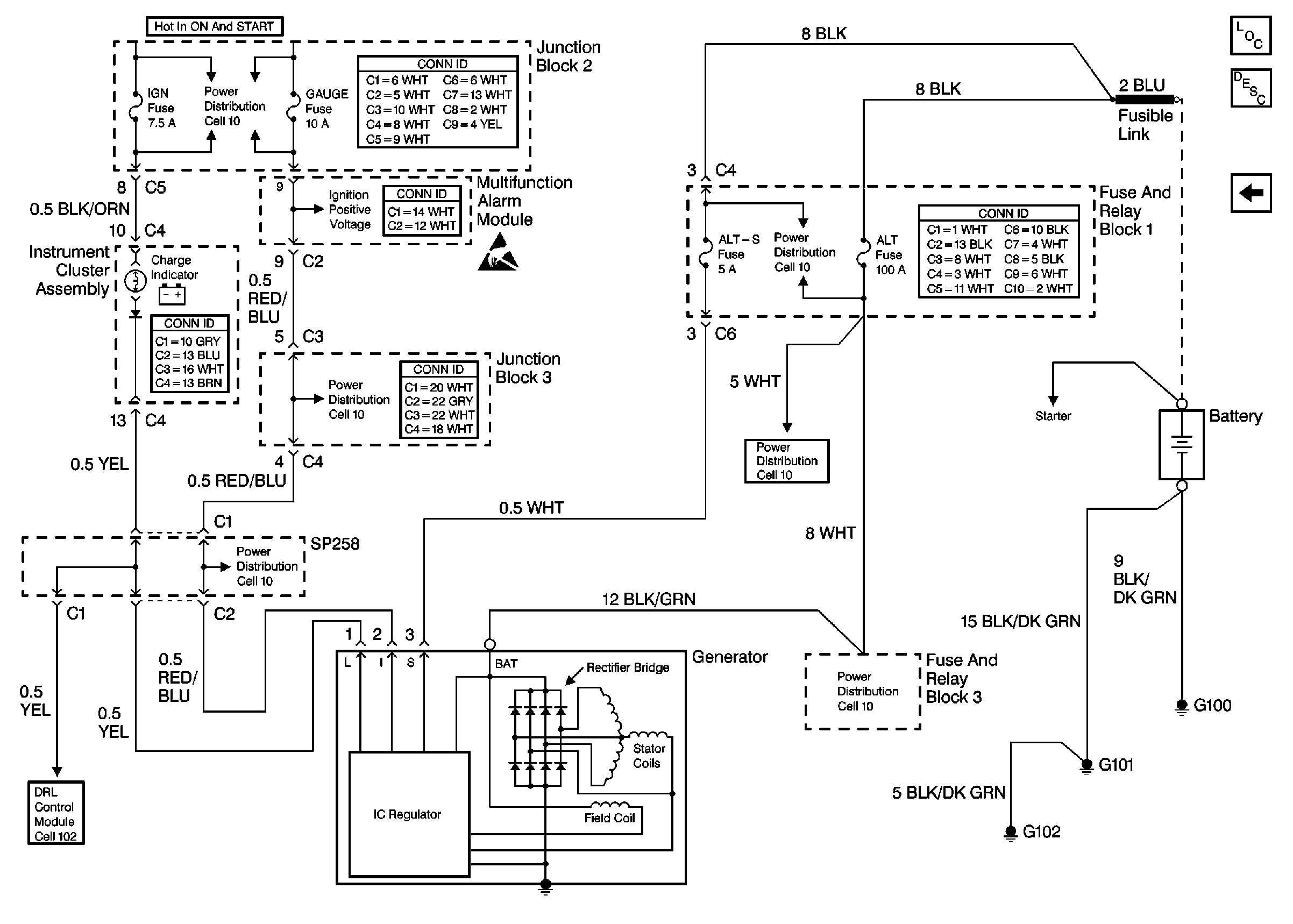
Cell 30: Battery, Fusible Link, and Generator
Engine Electrical Components
Starting System Description
Cell 30: Battery, Fusible Link, and Generator
Handling ESD Sensitive Parts Notice
Cell 10: Gauge Fuse
Cell 10: Gauge Fuse
Cell 10: Alt-S, AM2, Dome, EFI, Hazard, Horn, and Main Fuses
Cell 10: Alt-S, AM2, Dome, EFI, Hazard, Horn, and Main Fuses
Cell 10: Gauge Fuse
Cell 10: Alt-S, AM2, Dome, EFI, Hazard, Horn, and Main Fuses
Cell 102: Ambient Light Sensor and DRL Control Module