GM Service Manual Online
For 1990-2009 cars only
Makes
🢒
Chevrolet
🢒
2000
🢒
Prizm
🢒 Cell 30: Battery, Fusible Link, and Generator
Cell 30: Battery, Fusible Link, and Generator
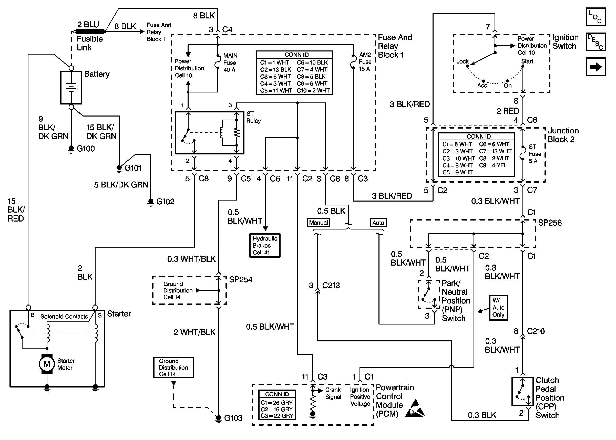
Cell 30: Battery, CPP Switch, Fusible Link, Ignition Switch, ST Relay, and Starter
Engine Electrical Components
Starting System Description
Cell 30: Battery, CPP Switch, Fusible Link, Ignition Switch, ST Relay, and Starter
Cell 10: Alt-S, AM2, Dome, EFI, Hazard, Horn, and Main Fuses
Cell 14: Battery, G100, G101, G102, G103, and G104
Cell 14: SP254 and SP261
Cell 10: Ignition Switch, IGN Fuse, and ST Fuse
Cell 41