GM Service Manual Online
For 1990-2009 cars only
Makes
🢒
Chevrolet
🢒
2000
🢒
Prizm
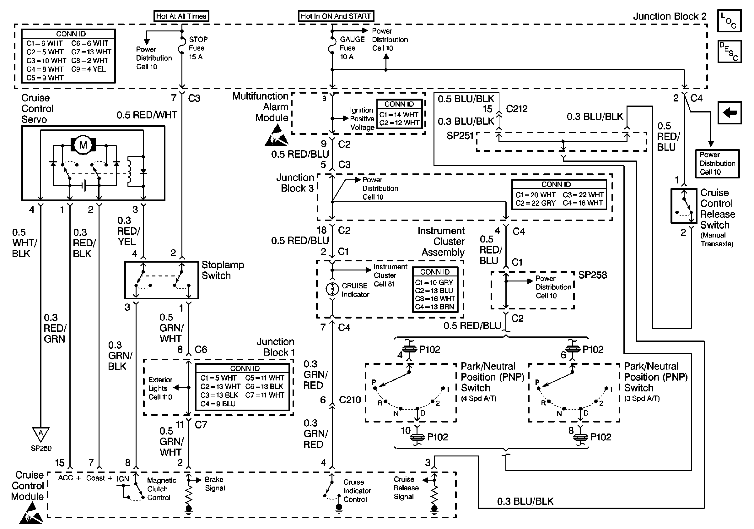
🢒 Cell 34: Cruise Control Servo, PNP Switch, CPP Interrupt Switch, and Stoplamp Switch
Cell 34: Cruise Control Servo, PNP Switch, CPP Interrupt Switch, and Stoplamp Switch
Cell 34: Cruise Control Servo, PNP Switch, CPP Interrupt Switch, and Stoplamp Switch
Cruise Control Components
Cruise Control System Circuit Description
Cell 34: Vehicle Speed Sensor
Handling ESD Sensitive Parts Notice
Cell 110: Cruise Control Module and Stoplamp Switch
Cell 10: ABS, Alt, AMI, Def, D/L, ECU-B, HTR, ODB, Power, and Stop Fuses
Cell 10: Gauge Fuse
Cell 10: Gauge Fuse
Cell 10: Gauge Fuse
Cell 10: Gauge Fuse
Cell 81: ABS, Oil Pressure, MIL, O/D OFF, and Cruise Indicators