GM Service Manual Online
For 1990-2009 cars only
Makes
🢒
Chevrolet
🢒
2000
🢒
Prizm
🢒 Cell 50:
Cell 50:
Cell 50:
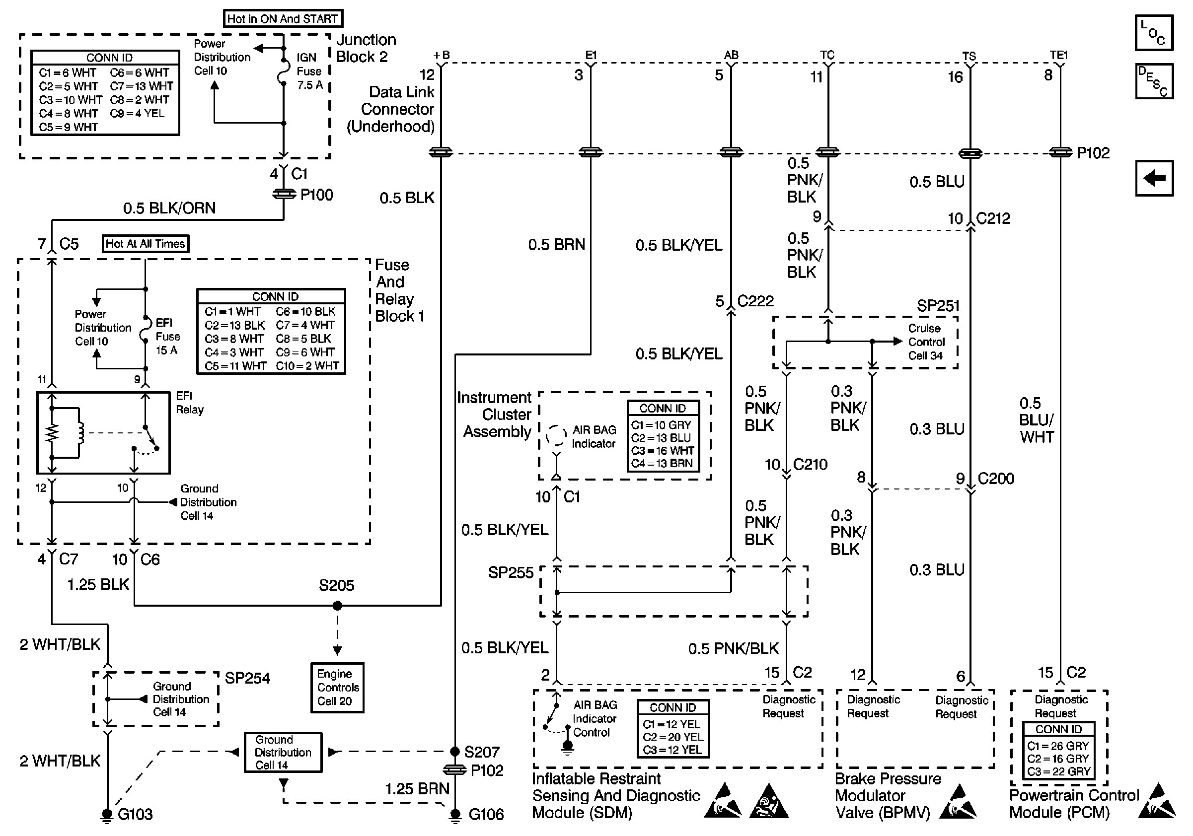
Data Link Communications Components
Handling ESD Sensitive Parts Notice
Handling ESD Sensitive Parts Notice
Handling ESD Sensitive Parts Notice
SIR Caution
Cell 10: Ignition Switch, IGN Fuse, and ST Fuse
Cell 10: Alt-S, AM2, Dome, EFI, Hazard, Horn, and Main Fuses
Cell 14: SP254 and SP261
Cell 14: SP254 and SP261
Cell 14: Battery, G100, G101, G102, G103, and G104
Cell 20: Power and Ground