GM Service Manual Online
For 1990-2009 cars only
Makes
🢒
Chevrolet
🢒
2000
🢒
Prizm
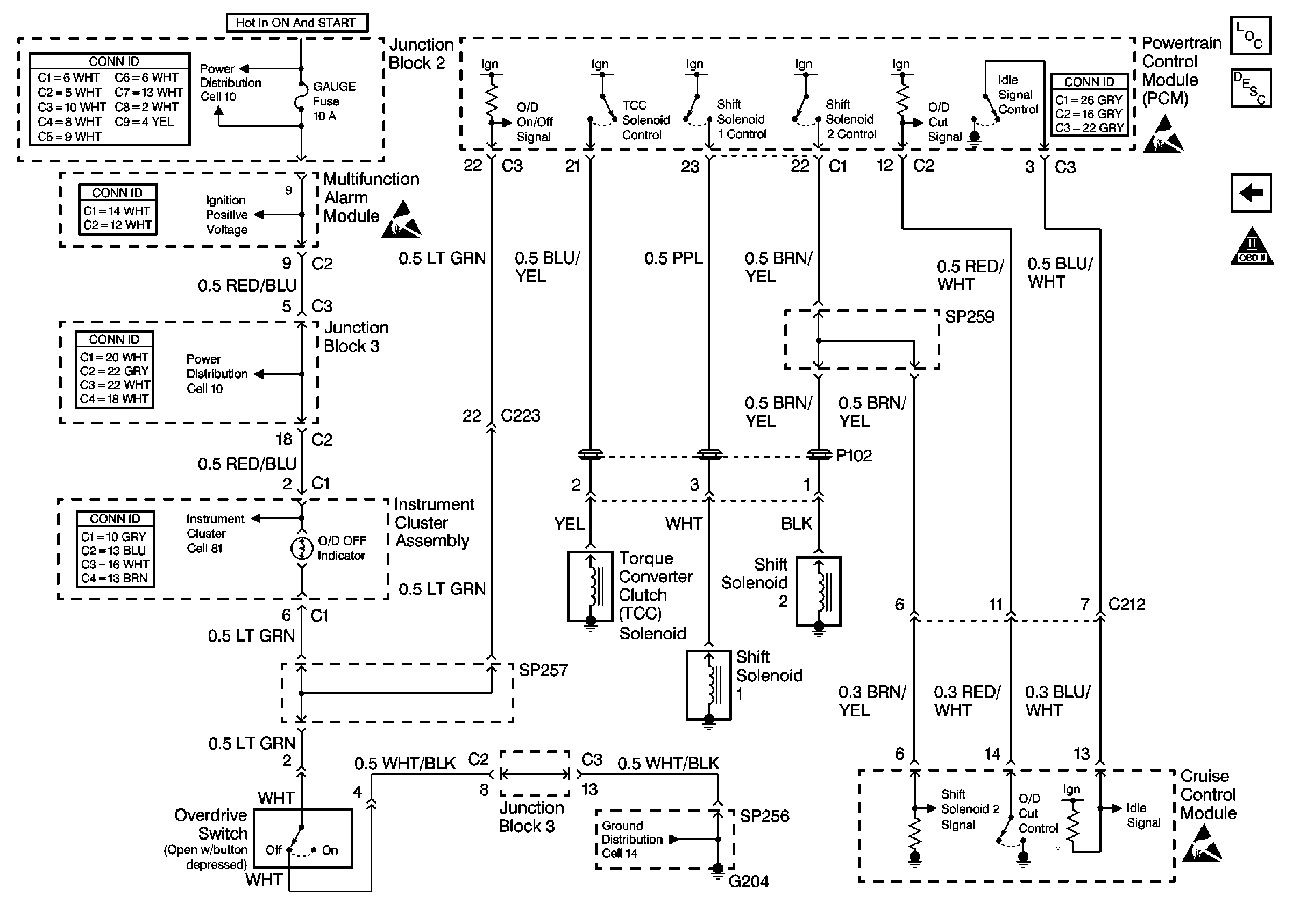
🢒 Cell 39: Cruise Control Module, PCM, Overdrive Switch, TCC Solenoid, Shift Solenoid NO. 1, and Shift Solenoid NO. 2
Cell 39: Cruise Control Module, PCM, Overdrive Switch, TCC Solenoid, Shift Solenoid NO. 1, and Shift Solenoid NO. 2
Cell 39: Cruise Control Module, PCM, Overdrive Switch, TCC Solenoid, Shift Solenoid NO. 1, and Shift Solenoid NO. 2
Automatic Transmission Components
Cell 39: EFI Relay and PCM
OBD II Symbol Description Notice
Handling ESD Sensitive Parts Notice
Handling ESD Sensitive Parts Notice
Cell 14: G204 and SP256
Cell 10: Gauge Fuse
Cell 10: Gauge Fuse
Cell 81: ABS, Oil Pressure, MIL, O/D OFF, and Cruise Indicators