GM Service Manual Online
For 1990-2009 cars only
Makes
🢒
Chevrolet
🢒
2000
🢒
Prizm
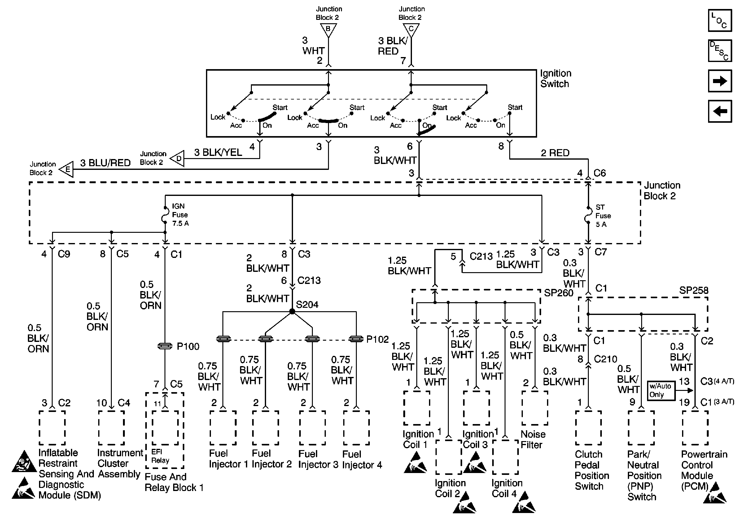
🢒 Ignition Switch, IGN Fuse, and ST Fuse
Ignition Switch, IGN Fuse, and ST Fuse
Ignition Switch, IGN Fuse, and ST Fuse
Power and Grounding Components
Alt-S, AM2, Dome, EFI, Hazard, Horn, and Main Fuses
CIG Fuse
Handling ESD Sensitive Parts Notice
Handling ESD Sensitive Parts Notice
Handling ESD Sensitive Parts Notice
Handling ESD Sensitive Parts Notice
SIR Caution