GM Service Manual Online
For 1990-2009 cars only
Makes
🢒
Chevrolet
🢒
2000
🢒
Prizm
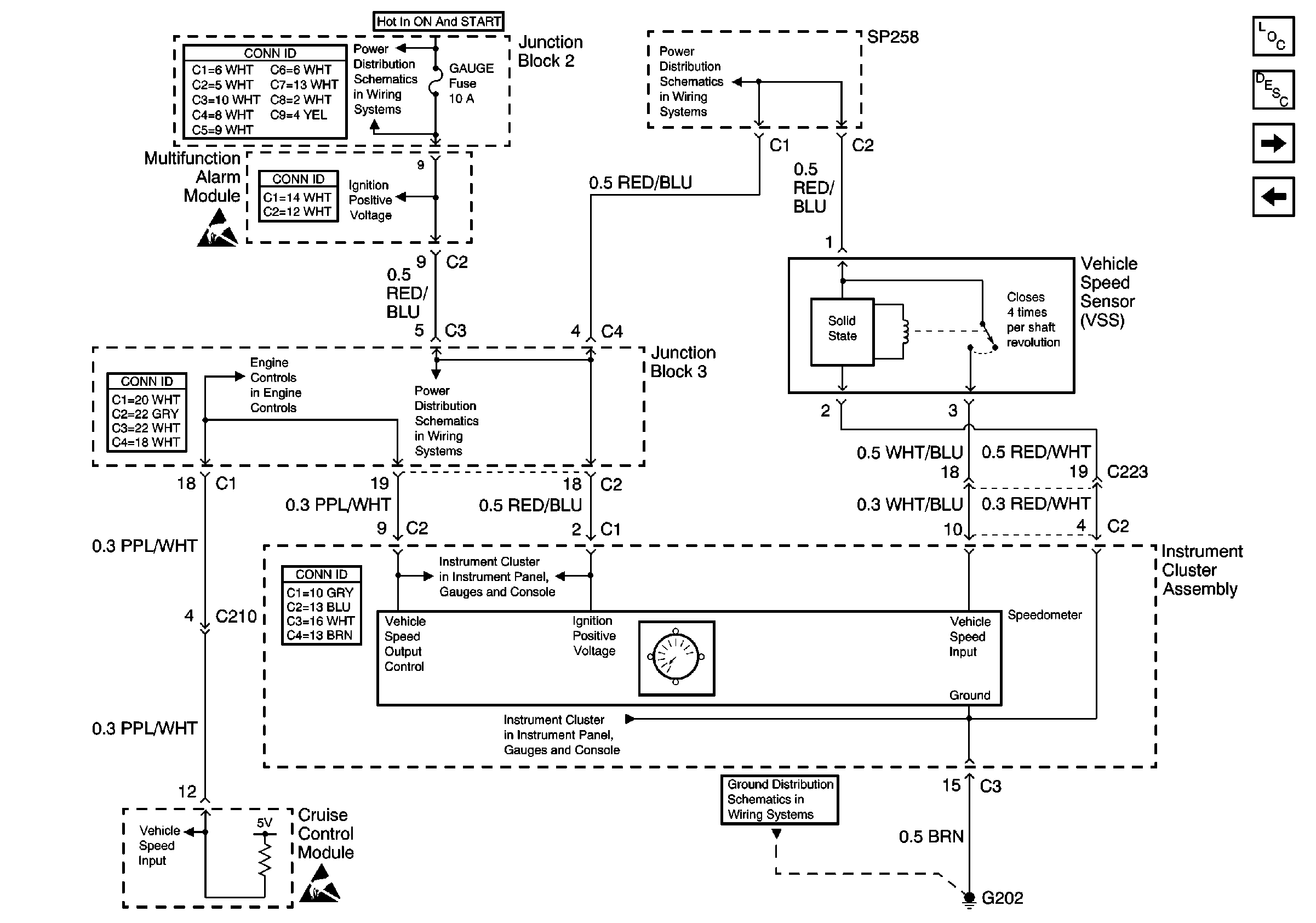
🢒 Vehicle Speed Sensor
Vehicle Speed Sensor
Vehicle Speed Sensor
Cruise Control Components
Cruise Control System Circuit Description
Cruise Control Servo, PNP Switch, CPP Interrupt Switch, and Stoplamp SWitch
Cruise Control Switch, Cruise Control Module, and PCM
Handling ESD Sensitive Parts Notice
Handling ESD Sensitive Parts Notice
Gauge Fuse
Gauge Fuse
Cell 81: Gages, Speedometer, and Low Fuel Indicator
Cell 81: Gages, Speedometer, and Low Fuel Indicator
Cell 14: G201 and G202
Cell 20: MIL and DLC
Gauge Fuse