GM Service Manual Online
For 1990-2009 cars only
Makes
🢒
Chevrolet
🢒
2000
🢒
Prizm
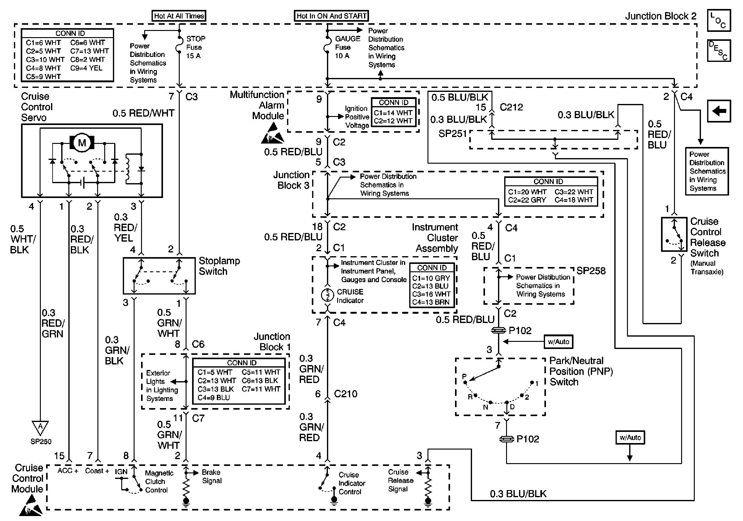
🢒 Cruise Control Servo, PNP Switch, CPP Interrupt Switch, and Stoplamp SWitch
Cruise Control Servo, PNP Switch, CPP Interrupt Switch, and Stoplamp SWitch
Cruise Control Servo, PNP Switch, CPP Interrupt Switch, and Stoplamp Switch
Cruise Control Components
Cruise Control System Circuit Description
Vehicle Speed Sensor
Handling ESD Sensitive Parts Notice
Cell 110: Cruise Control Module and Stoplamp Switch
ABS, Alt, AM1, Def, D/L, ECU-B, HTR, OBD, Power, and Stop Fuses
Gauge Fuse
Gauge Fuse
Gauge Fuse
Gauge Fuse
Cell 81: ABS, Oil Pressure, MIL, O/D OFF, and Cruise Indicators