GM Service Manual Online
For 1990-2009 cars only
Makes
🢒
Chevrolet
🢒
2000
🢒
Prizm
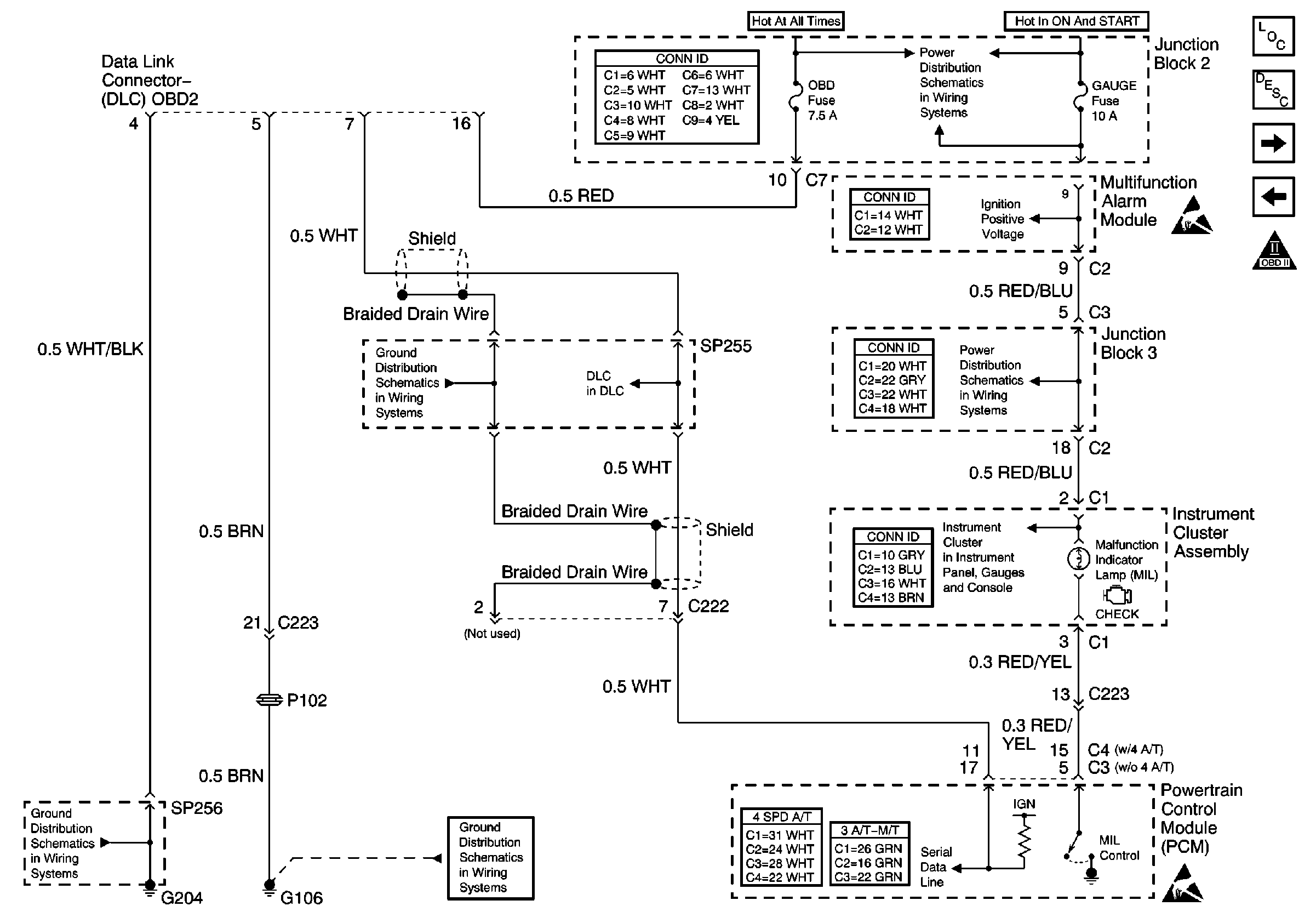
🢒 MIL and DLC
MIL and DLC
MIL and DLC
Engine Controls Components
Main Power Feed
Power and Ground
OBD II Symbol Description Notice
Handling ESD Sensitive Parts Notice
Handling ESD Sensitive Parts Notice
Cell 10: Gauge Fuse
Cell 10: ABS, Alt, AMI, Def, D/L, ECU-B, HTR, ODB, Power, and Stop Fuses
Cell 14: G106 (2 of 2)
Cell 14: G106 (2 of 2)
Cell 14: G105 and G106 (1 of 2)
Cell 14: G204 and SP256
Cell 81: ABS, Oil Pressure, MIL, O/D OFF, and Cruise Indicators
Cell 50: OBD II Connector