GM Service Manual Online
For 1990-2009 cars only
Makes
🢒
Chevrolet
🢒
2000
🢒
Prizm
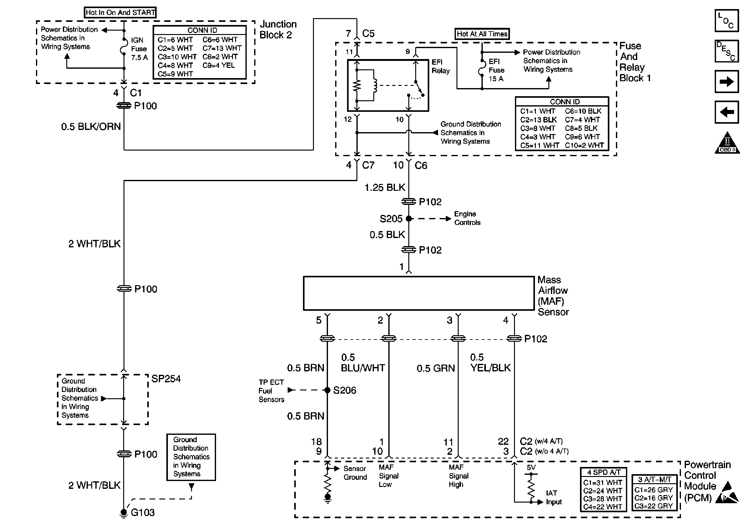
🢒 Engine Data Sensors (2 of 2)
Engine Data Sensors (2 of 2)
Engine Data Sensors (2 of 2)
Engine Controls Components
HO2S
Engine Data Sensors (1 of 2)
OBD II Symbol Description Notice
Handling ESD Sensitive Parts Notice