GM Service Manual Online
For 1990-2009 cars only
Makes
🢒
Chevrolet
🢒
2000
🢒
Prizm
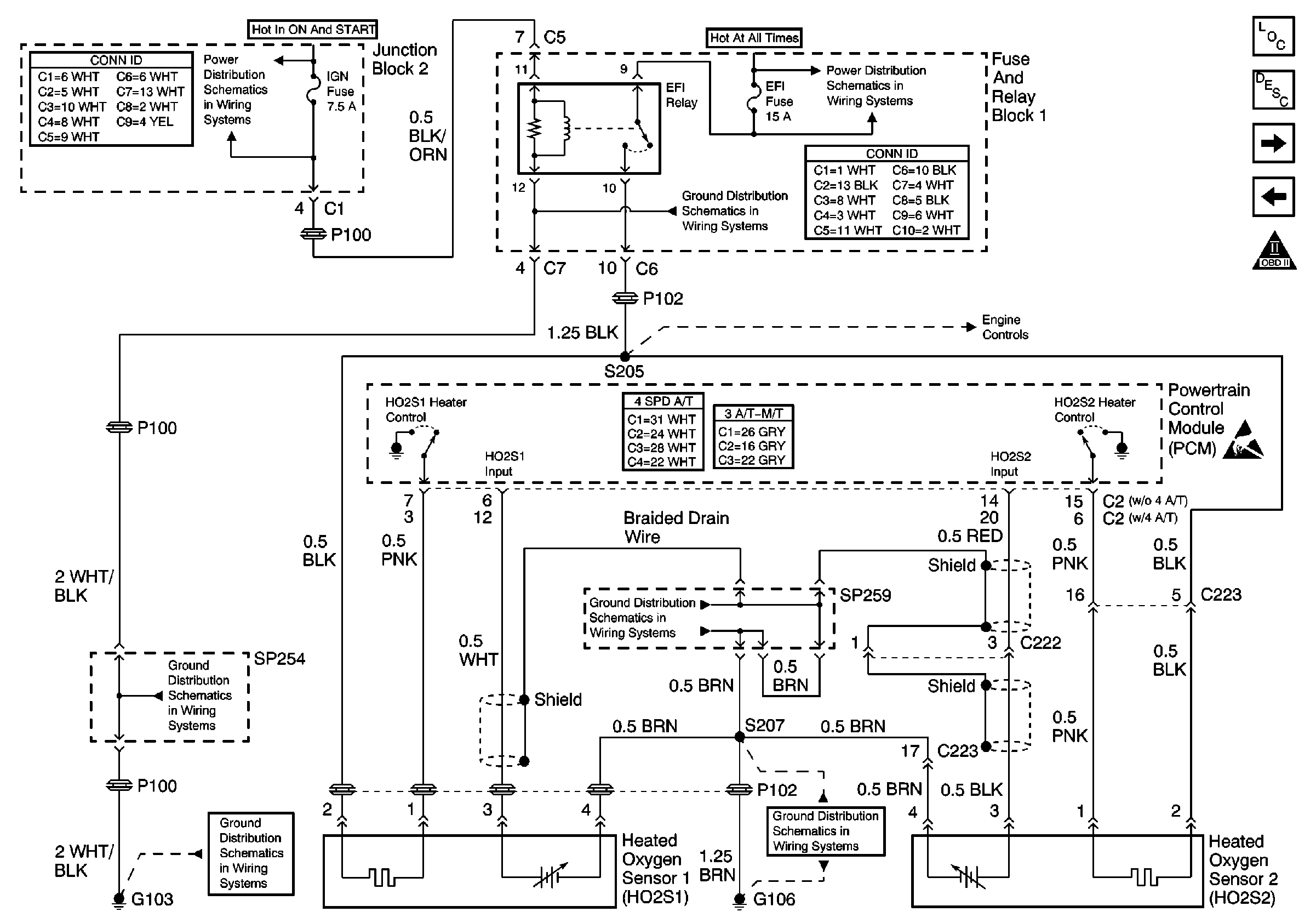
🢒 HO2S
HO2S
HO2S
Engine Controls Components
VSS Output
Engine Data Sensors (2 of 2)
OBD II Symbol Description Notice
Handling ESD Sensitive Parts Notice
Cell 10: Ignition Switch, IGN Fuse, and ST Fuse
Cell 10: Alt-S, AM2, Dome, EFI, Hazard, Horn, and Main Fuses
Cell 14: SP254 and SP261
Cell 14: SP254 and SP261
Cell 14: G105 and G106 (1 of 2)
Cell 14: SP254 and SP261
Cell 14: Battery, G100, G101, G102, G103, and G104