GM Service Manual Online
For 1990-2009 cars only
Makes
🢒
Chevrolet
🢒
2001
🢒
Prizm
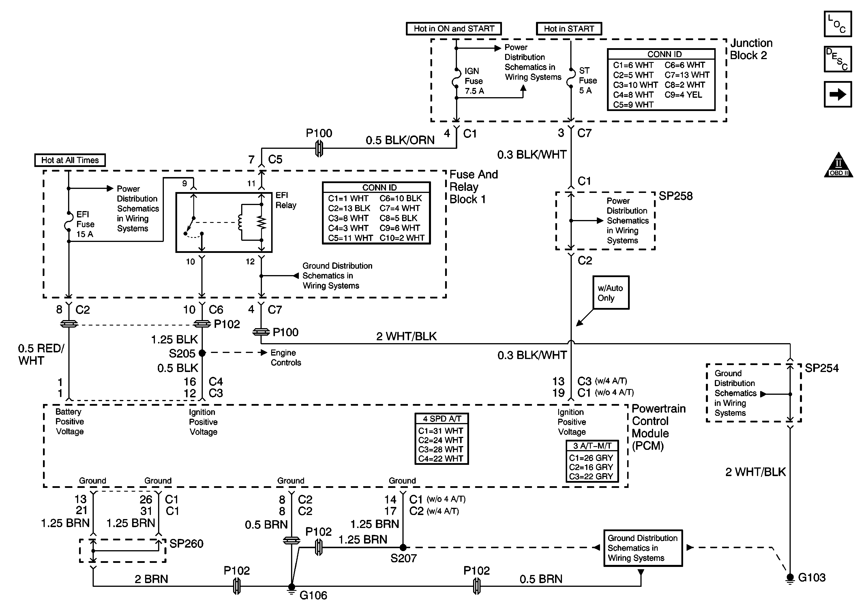
🢒 EFI Relay and PCM
EFI Relay and PCM
EFI Relay and PCM
Master Electrical Component List
Powertrain Control Module Description
OBD II Symbol Description Notice
DLC (OBD2) and Multifunction Alarm Module, MIL
SP 254 and SP261
G105, G106 and S207
Ignition Switch, IGN and ST Fuses
Ignition Switch, IGN and ST Fuses
SP 254 and SP261
ALT-S, AM2, DOME, EFI, Hazard, Horn, and Main Fuses