GM Service Manual Online
For 1990-2009 cars only
Makes
🢒
Chevrolet
🢒
2001
🢒
Prizm
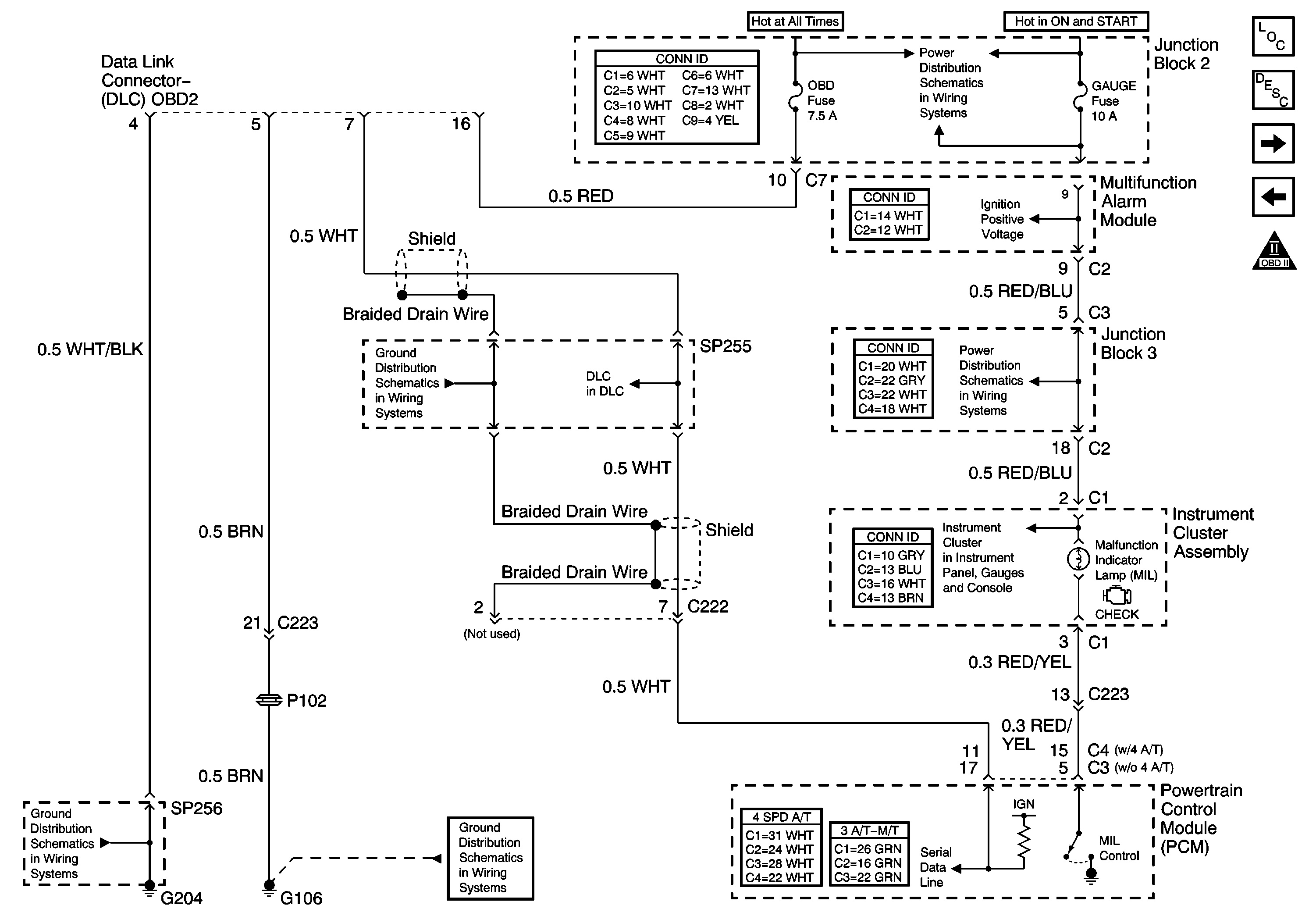
🢒 DLC (OBD2) and Multifunction Alarm Module, MIL
DLC (OBD2) and Multifunction Alarm Module, MIL
DLC (OBD2) and Multifunction Alarm Module, MIL
Master Electrical Component List
Powertrain Control Module Description
OBD II Symbol Description Notice
DLC and Fuse Relay Block
EFI Relay and PCM
Oil Pressure Switch
Gauge Fuse
Gauge Fuse
Gauge Fuse
G105, G106 and S207
Data Link Connector (DLC) OBD2
SP259
G204, Junction Block 1, and SP256