GM Service Manual Online
For 1990-2009 cars only
Makes
🢒
Chevrolet
🢒
2001
🢒
Prizm
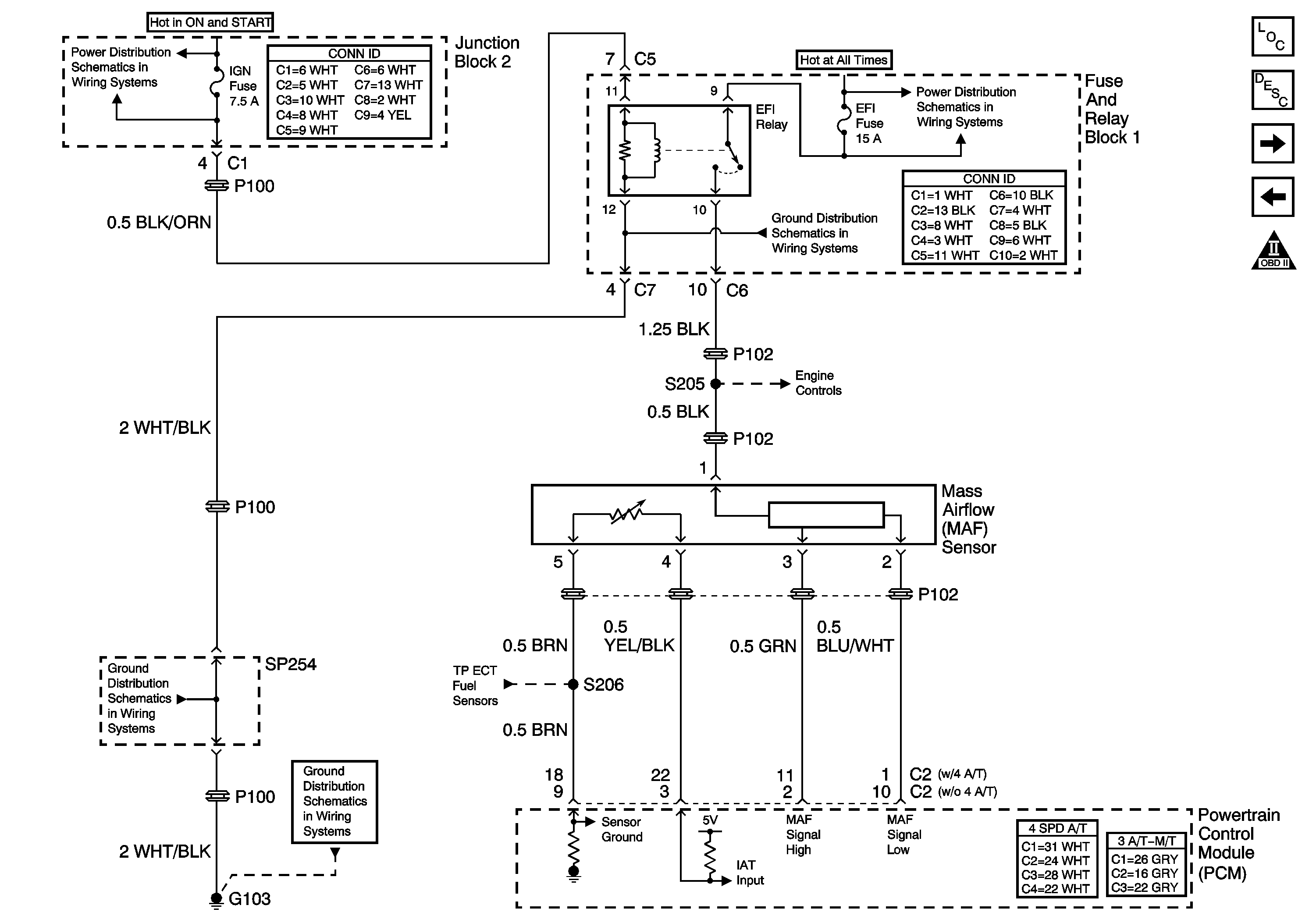
🢒 MAF Sensor
MAF Sensor
MAF Sensor
Master Electrical Component List
Powertrain Control Module Description
OBD II Symbol Description Notice
Heated Oxygen Sensors (HO2S)
Engine Data Sensors
ALT-S, AM2, DOME, EFI, Hazard, Horn, and Main Fuses
SP 254 and SP261
G100, G101, G102, G103, and G104
SP 254 and SP261
Ignition Switch, IGN and ST Fuses