GM Service Manual Online
For 1990-2009 cars only
Makes
🢒
Chevrolet
🢒
2001
🢒
Prizm
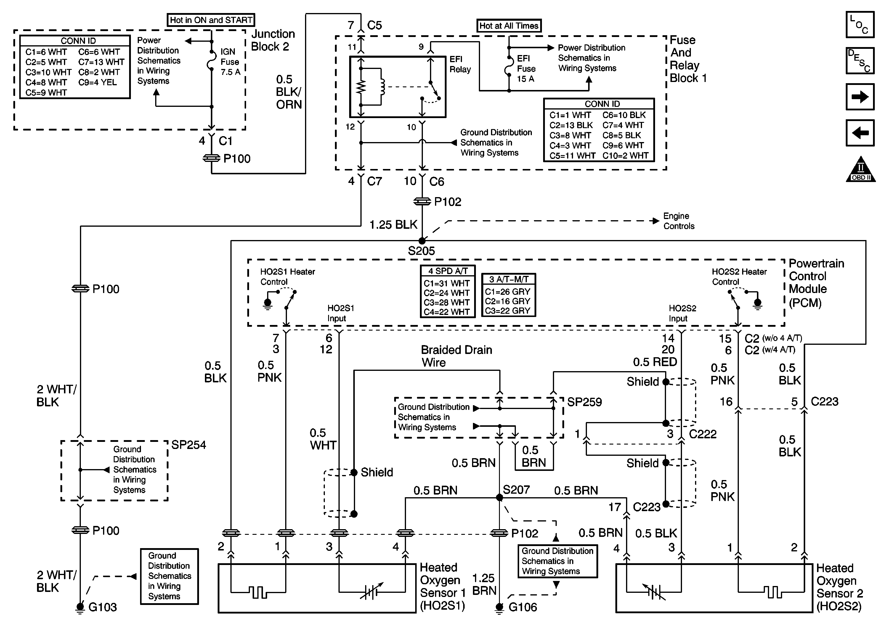
🢒 Heated Oxygen Sensors (HO2S)
Heated Oxygen Sensors (HO2S)
Heated Oxygen Sensors (HO2S)
Master Electrical Component List
Powertrain Control Module Description
OBD II Symbol Description Notice
Vehicle Speed Sensor (VSS)
MAF Sensor
ALT-S, AM2, DOME, EFI, Hazard, Horn, and Main Fuses
SP 254 and SP261
G105, G106 and S207
G100, G101, G102, G103, and G104
SP 254 and SP261
Ignition Switch, IGN and ST Fuses