GM Service Manual Online
For 1990-2009 cars only
Makes
🢒
Chevrolet
🢒
2001
🢒
Prizm
🢒 Starting System
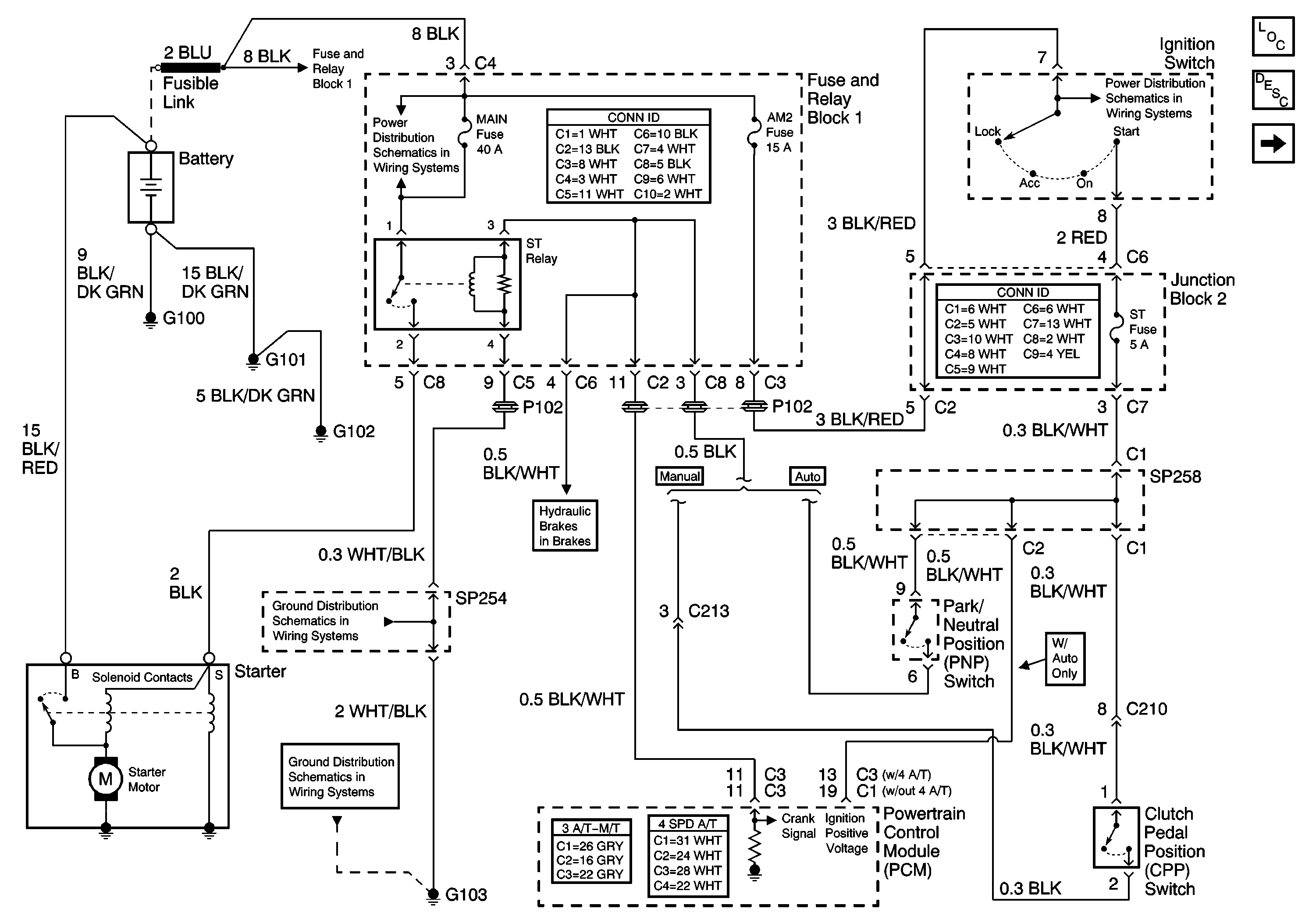
Starting System
Starting System
Master Electrical Component List
Starting System Description and Operation
Ignition Switch, IGN and ST Fuses
CPP Switch, PNP Switch, and Park Brake Switch
G100, G101, G102, G103, and G104
SP 254 and SP261
ALT-S, AM2, DOME, EFI, Hazard, Horn, and Main Fuses
ABS, ALT, AMI, DEF, DYL, ECU-B, HTR, OBD, POWER and STOP Fuses