GM Service Manual Online
For 1990-2009 cars only
Makes
🢒
Chevrolet
🢒
2001
🢒
Prizm
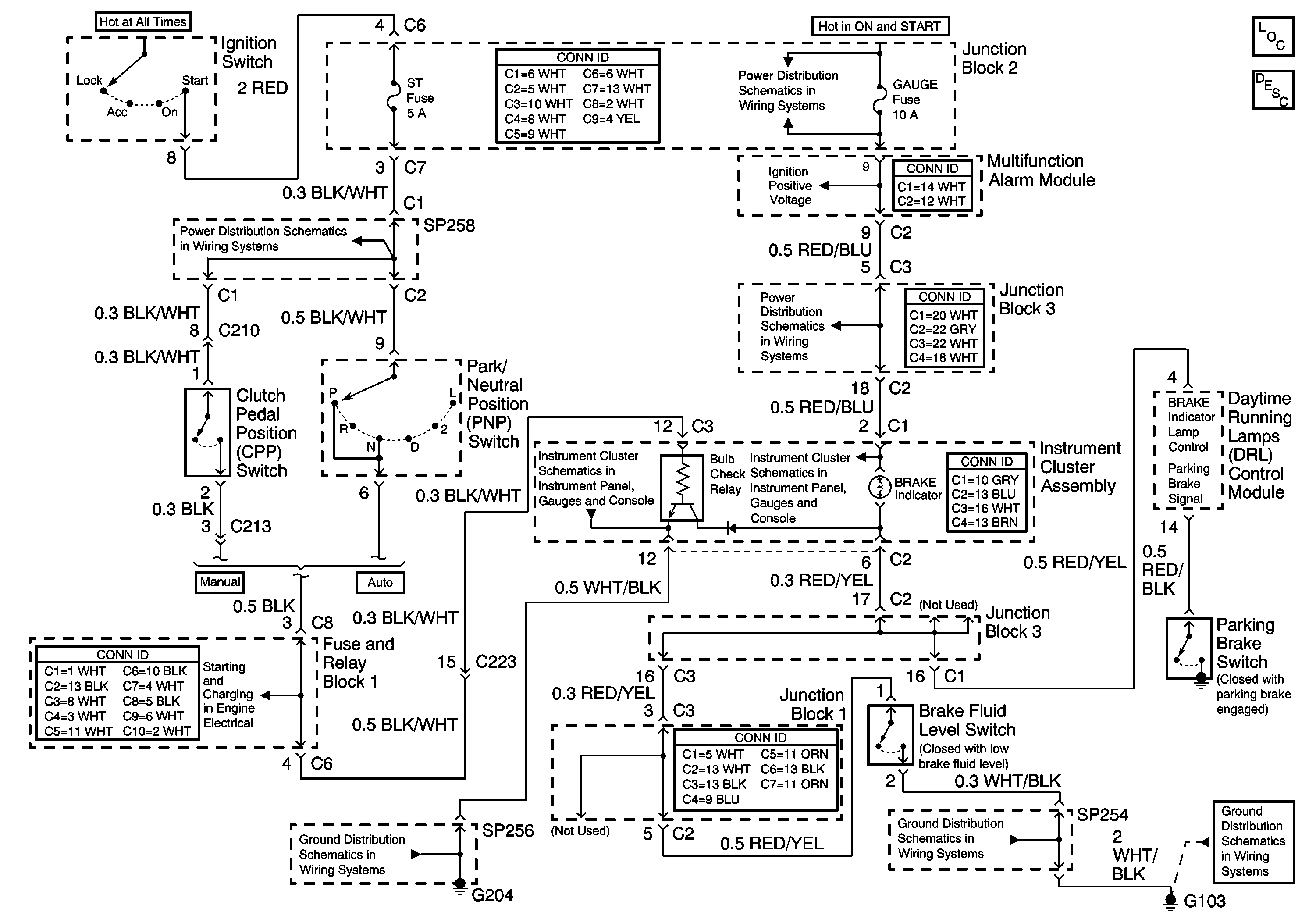
🢒 CPP Switch, PNP Switch, and Park Brake Switch
CPP Switch, PNP Switch, and Park Brake Switch
Master Electrical Component List
Hydraulic Brake System Description and Operation
G100, G101, G102, G103, and G104
SP 254 and SP261
Instrument Cluster Assembly
Instrument Cluster Assembly
G204, Junction Block 1, and SP256
Starting System
Ignition Switch, IGN and ST Fuses
Gauge Fuse
Gauge Fuse
Gauge Fuse