GM Service Manual Online
For 1990-2009 cars only
Makes
🢒
Chevrolet
🢒
2001
🢒
Prizm
🢒 Charging System
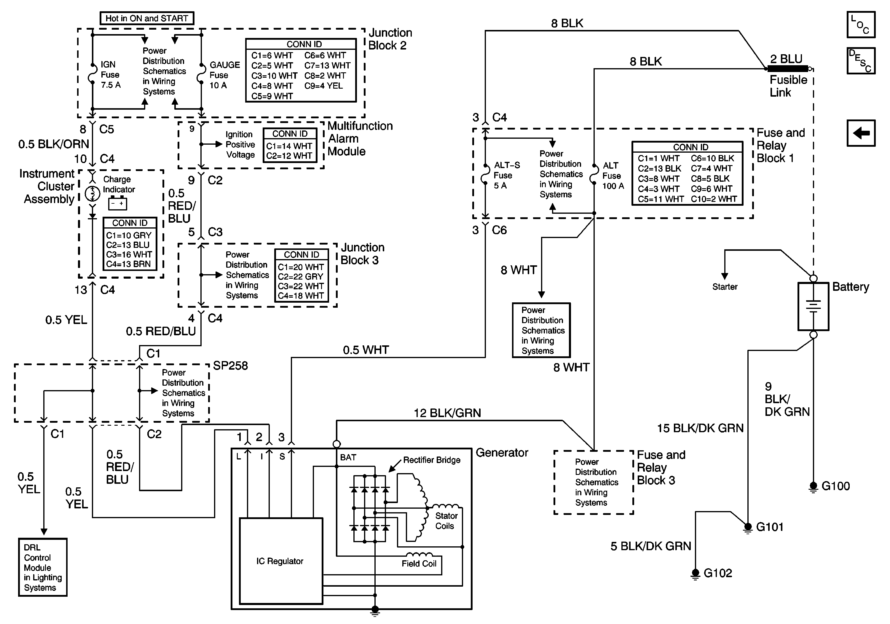
Charging System
Charging System
Master Electrical Component List
Charging System Description and Operation
Starting System
ABS, ALT, AMI, DEF, DYL, ECU-B, HTR, OBD, POWER and STOP Fuses
ABS, ALT, AMI, DEF, DYL, ECU-B, HTR, OBD, POWER and STOP Fuses
ALT-S, AM2, DOME, EFI, Hazard, Horn, and Main Fuses
Gauge Fuse
Gauge Fuse
Gauge Fuse
Gauge Fuse
DRL Control Module and Ambient Light Sensor