GM Service Manual Online
For 1990-2009 cars only
Makes
🢒
Chevrolet
🢒
2001
🢒
Prizm
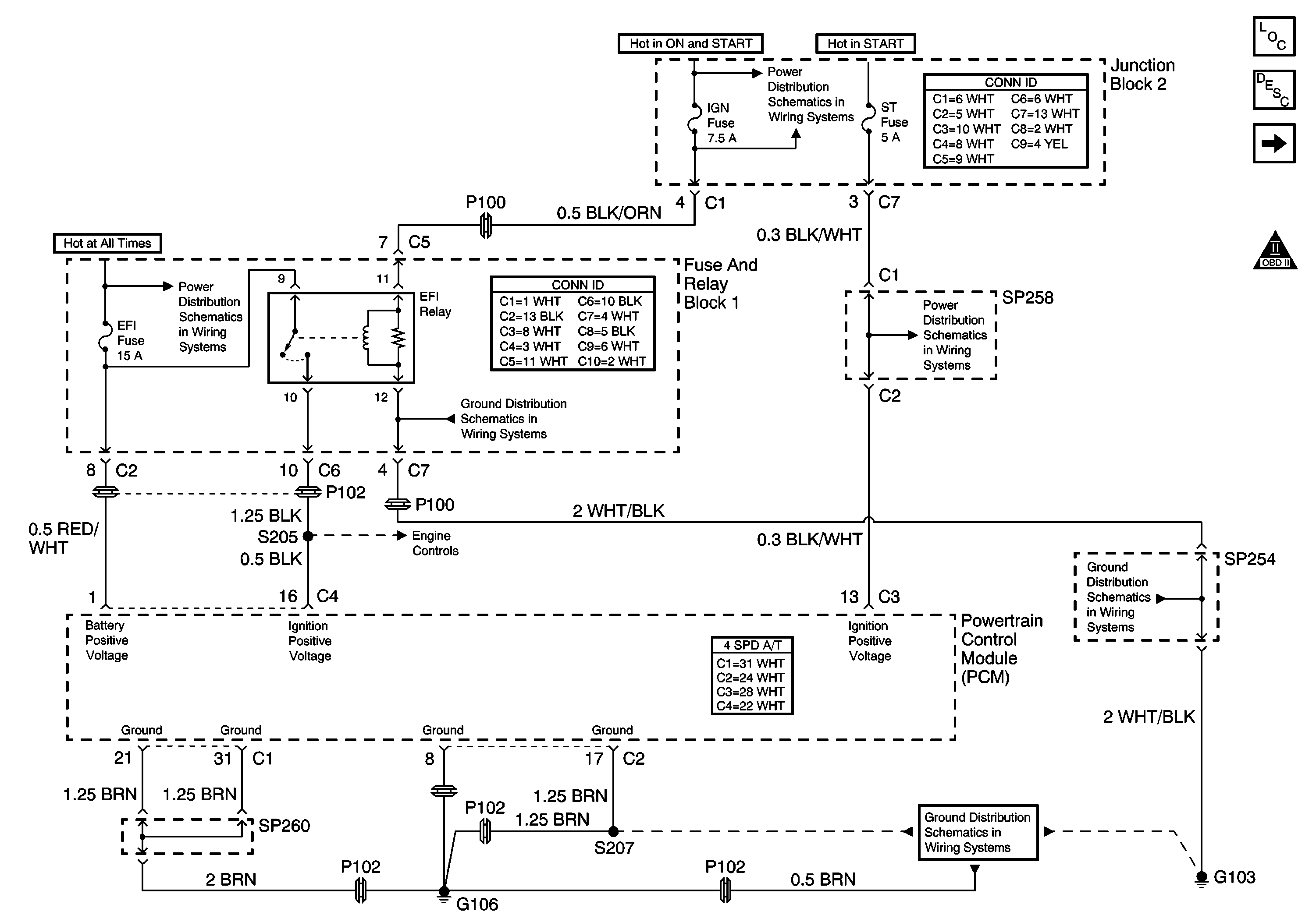
🢒 EFI Relay and PCM
EFI Relay and PCM
EFI Relay and PCM
Master Electrical Component List
Cruise Control Description and Operation
OBD II Symbol Description Notice
PNP Switch, PCM and Stoplamp Switch
SP 254 and SP261
Ignition Switch, IGN and ST Fuses
Ignition Switch, IGN and ST Fuses
SP 254 and SP261
G105, G106 and S207
ALT-S, AM2, DOME, EFI, Hazard, Horn, and Main Fuses