GM Service Manual Online
For 1990-2009 cars only
Makes
🢒
Chevrolet
🢒
2001
🢒
Prizm
🢒 PNP Switch, PCM and Stoplamp Switch
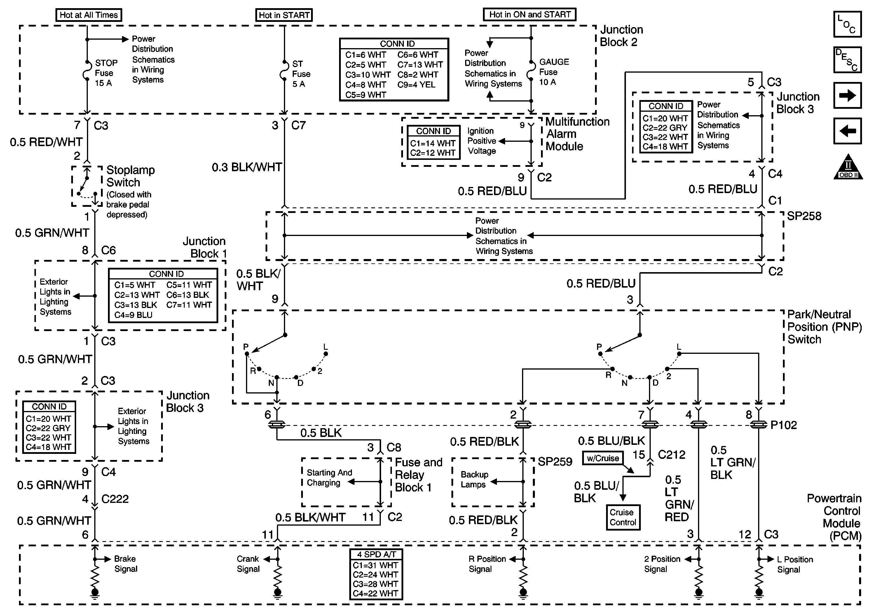
PNP Switch, PCM and Stoplamp Switch
PNP Switch, PCM and Stop Lamp Switch
Master Electrical Component List
Cruise Control Description and Operation
OBD II Symbol Description Notice
Cruise Control Module, PCM, Overdrive Switch, TCC Solenoid, Shift Solenoid No. 1 and Shift Solenoid No. 2
EFI Relay and PCM
Gauge Fuse
Cruise Control Servo and Stoplamp Switch
PNP Switch and Backup Lamp Switch
Gauge Fuse
Gauge Fuse
ECU-IG, TURN, and WIP Fuse
Starting System
ABS, ALT, AMI, DEF, DYL, ECU-B, HTR, OBD, POWER and STOP Fuses
Cruise Control Module, Shift Lock Control Module, and Stoplamp Switch
Cruise Control Module, Shift Lock Control Module, and Stoplamp Switch