GM Service Manual Online
For 1990-2009 cars only
Makes
🢒
Chevrolet
🢒
2001
🢒
Prizm
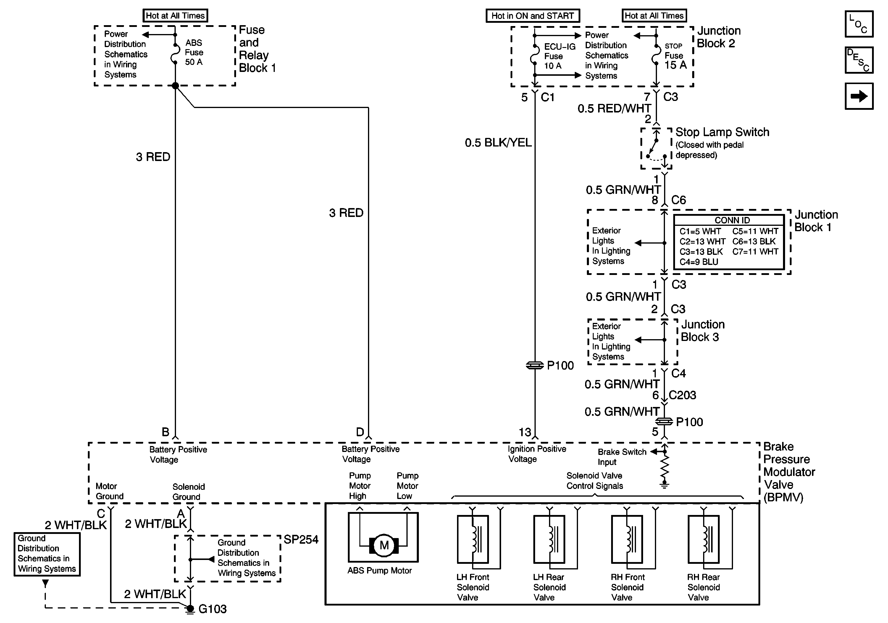
🢒 ABS Pump Motor, BPMV, Solenoid Valves, and Stoplamp Switch
ABS Pump Motor, BPMV, Solenoid Valves, and Stoplamp Switch
ABS Pump Motor, BPMV, Solenoid Valves, and Stoplamp Switch
Master Electrical Component List
ABS Description and Operation
ABS Indicator Control, ABS Warning Indicator, and BPMV
Cruise Control Module, Shift Lock Control Module, and Stoplamp Switch
Cruise Control Module, Shift Lock Control Module, and Stoplamp Switch
ECU-IG, TURN, and WIP Fuse
SP 254 and SP261
G100, G101, G102, G103, and G104
ABS, ALT, AMI, DEF, DYL, ECU-B, HTR, OBD, POWER and STOP Fuses